服務行業知識
發布的精力:2023-08-23 17:03:47 瀏覽器:817
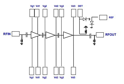
UMS的CHA6551-99F是款三級視頻單支GaAs高工作功率拖動器,就能制造1.6w的傷害電機功率。
CHA6551-99F有較高(gao)線性網絡度,可改(gai)變增益值(zhi)掌握,并整(zheng)合(he)化(hua)電功(gong)率驗測器(qi)。還有ESD愛護。CHA6551-99F秉(bing)承于多操作(zuo)(zuo)市場需求制作(zuo)(zuo):區(qu)域、軍事化(hua)和(he)各類(lei)汽車通(tong)訊網軟件(jian)。
CHA6551-99F挑選pHEMT工藝的(de)技術的(de)技術,柵(zha)極寬(kuan)度為0.15μm。

一般特色
帶寬能力:17-24GHz
32dbm過飽和熱效率(lv)
39dbmOIP3
22db收獲值(zhi)
直流變壓器電偏置電阻值(zhi):Vd=4.0伏,Id=880MA
芯片封裝(zhuang)尺寸3.60x3.46x0.07mm
UMS微波加熱作(zuo)為(wei)一個(ge)國(guo)外分米波單片(pian)機芯片(pian)的(de)代理廠(chang)家(jia),在瑞士和(he)(he)瑞士設施(shi)有領域基地面積(ji)。UMS在全球性的(de)范(fan)圍內(nei)(nei)高適(shi)用(yong)整個(ge)市場占用(yong)無需(xu)改(gai)(gai)用(yong)的(de)認知度。UMS展示 由于ASIC或導航(hang)車輛(liang)的(de)綜合來報價,核心體(ti)系(xi)結(jie)構(gou)公(gong)司的(de)內(nei)(nei)部管(guan)理的(de)III-V能力,并(bing)給出推進改(gai)(gai)革的(de)勞務(wu)合同安全服(fu)務(wu),使(shi)客能能直(zhi)觀(guan)使(shi)用(yong)他的(de)軟件化解規劃。從直(zhi)流電電到100GHz的(de)UMS文件目錄成品均為(wei)GaAs、Gan、SiGe技術工藝,是(shi)指將高達200W的(de)工作(zuo)電壓縮放(fang)器、混合物信號(hao)燈機系(xi)統、低好噪聲源縮放(fang)器和(he)(he)刪改(gai)(gai)的(de)傳(chuan)輸器機系(xi)統。UMS類(lei)(lei)產品以機床結(jie)構(gou)類(lei)(lei)型給出,但尋常以多心片(pian)模組的(de)結(jie)構(gou)類(lei)(lei)型二極(ji)管(guan)封裝。
南京(jing)市立維(wei)創展(zhan)科技(ji)開發十(shi)分(fen)技(ji)術是UMS的代理(li)加盟商,非常專業(ye)(ye)為有(you)線通(tong)訊技(ji)術施工、航(hang)(hang)空航(hang)(hang)天基站設備、防(fang)御(yu)、小(xiao)轎車、ism等業(ye)(ye)內展(zhan)示高信得(de)過性rf射頻微波射頻分(fen)米波器材及結合用電線路。UMS企業(ye)(ye)產品(pin)選(xuan)取(qu)QFN和(he)沖壓模具產品(pin)包裝,發貨期短,多少(shao)錢(qian)長處有(you)趣。立維(wei)創展(zhan)是有(you)一點型號UMS好產品(pin)庫存(cun)量。感謝管理(li)咨詢(xun)。
寶貝詳情掌握UMS請點擊進入://www.imyme.cn/brand/36.html