互聯網行業內容
推出時光(guang):2023-08-01 16:37:22 觀看(kan):6650
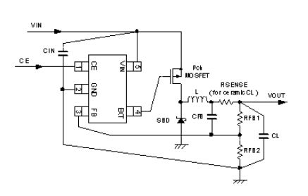
TOREX的XC9221系是多功模(mo)塊(kuai)降血壓DC/DC調整(zheng)器(qi)IC。給該(gai)處理器(qi) 外(wai)部增(zeng)配這種(zhong)旋轉(zhuan)開關電(dian)(dian)(dian)(dian)(dian)(dian)子元件,這種(zhong)公率(lv)電(dian)(dian)(dian)(dian)(dian)(dian)感,這種(zhong)二次(ci)管(guan)和兩(liang)個人電(dian)(dian)(dian)(dian)(dian)(dian)阻就能提(ti)升這種(zhong)工作效率(lv)高率(lv),相對比較不穩定(ding)性的,讀取電(dian)(dian)(dian)(dian)(dian)(dian)流(liu)大(da)小高至3A的按鈕開關主(zhu)機電(dian)(dian)(dian)(dian)(dian)(dian)源。能利用低ESR電(dian)(dian)(dian)(dian)(dian)(dian)阻器(qi)(電(dian)(dian)(dian)(dian)(dian)(dian)阻器(qi)器(qi))譬(pi)如瓷質電(dian)(dian)(dian)(dian)(dian)(dian)阻器(qi)(電(dian)(dian)(dian)(dian)(dian)(dian)阻器(qi)器(qi))應用于其導出電(dian)(dian)(dian)(dian)(dian)(dian)阻器(qi)(電(dian)(dian)(dian)(dian)(dian)(dian)阻器(qi)器(qi))。
XC9221系列的(de)的(de)調節器(qi)曾有個0.9V(±1.5%)國家標準電流,采取外(wai)置抽樣電阻功率就能能隨意控(kong)制內(nei)容輸出電流。工做頻繁為(wei)300kHz,500kHz和1MHz,
XC9221一系列設定器能(neng)用(yong)到小中型(xing)(xing)型(xing)(xing)外(wai)部鏈(lian)接元器件。根據軟(ruan)再啟動時間長(chang)度,XC9221A和C產品(pin)是(shi)內部管理設立為(wei)4ms,XC9221B和D系可能(neng)在內部制定。XC9221類型(xing)(xing)有(you)效(xiao)智能(neng)控制器具備條件內置的UVLO(欠壓鎖閉)能(neng)力性,當設置電(dian)(dian)壓降下降2.3V或更低事情下,外(wai)鏈(lian)的P內孔控制開關電(dian)(dian)子元器件會(hui)被強硬性封。
本質(zhi)特(te)征
運轉的電壓面(mian)積:2.8V~16.0V
的輸出電流值內部制定:0.9V(為準度±1.5V)
的工作頻(pin)段(duan):300k,500k,1.0MHz
操(cao)控辦(ban)法:PWM/PFM半(ban)自動再啟動操(cao)作
帶軟開始特征參數:內部結構設(she)置4ms(TypeA500kHz), 外部設(she)計(TypeB)
短路(lu)等(deng)問(wen)題愛護(hu)性(xing):信用卡積(ji)分愛護(hu)性(xing)1.0ms(A,B類形),漏電呵護(hu)
低(di)ESR電解電阻:工業陶瓷(ci)電解電阻
TOREX半導體器(qi)(qi)件(jian)最主要的(de)提(ti)高(gao)COMS、調節器(qi)(qi)器(qi)(qi)、電(dian)子元電(dian)子器(qi)(qi)件(jian)大家庭(ting)中的(de)一員-二(er)極管等元電(dian)子器(qi)(qi)件(jian),商品以小(xiao)體型大小(xiao)、能(neng)優良而著名人物。
東莞 市立維(wei)創展科技開發不多(duo)(duo)集團公司,的優勢包銷(xiao)TOREX電源線器材,許多(duo)(duo)外盤貨(huo)源,熱(re)烈歡迎合作項(xiang)目。
商品詳情頁要了解TOREX請選擇://www.imyme.cn/brand/62.html

參數 | Type | Output Voltage | Oscillation Frequency | Packages |
XC9221A093ER-G | Soft-start internally set with integral protection function | FB type | 300kHz | USP-6C |
XC9221A093MR-G | Soft-start internally set with integral protection function | FB type | 300kHz | SOT-25 |
XC9221A095ER-G | Soft-start internally set with integral protection function | FB type | 500kHz | USP-6C |
XC9221A095MR-G | Soft-start internally set with integral protection function | FB type | 500kHz | SOT-25 |
XC9221A09AER-G | Soft-start internally set with integral protection function | FB type | 1.0MHz | USP-6C |
XC9221A09AMR-G | Soft-start internally set with integral protection function | FB type | 1.0MHz | SOT-25 |
XC9221B093ER-G | Soft-start externally set with integral protection function | FB type | 300kHz | USP-6C |
XC9221B093MR-G | Soft-start externally set with integral protection function | FB type | 300kHz | SOT-25 |
XC9221B095ER-G | Soft-start externally set with integral protection function | FB type | 500kHz | USP-6C |
XC9221B095MR-G | Soft-start externally set with integral protection function | FB type | 500kHz | SOT-25 |
XC9221B09AER-G | Soft-start externally set with integral protection function | FB type | 1.0MHz | USP-6C |
XC9221B09AMR-G | Soft-start externally set with integral protection function | FB type | 1.0MHz | SOT-25 |
XC9221C093ER-G | Soft-start internally set without integral protection function | FB type | 300kHz | USP-6C |
XC9221C093MR-G | Soft-start internally set without integral protection function | FB type | 300kHz | SOT-25 |
XC9221C095ER-G | Soft-start internally set without integral protection function | FB type | 500kHz | USP-6C |
XC9221C095MR-G | Soft-start internally set without integral protection function | FB type | 500kHz | SOT-25 |
XC9221C09AER-G | Soft-start internally set without integral protection function | FB type | 1.0MHz | USP-6C |
XC9221C09AMR-G | Soft-start internally set without integral protection function | FB type | 1.0MHz | SOT-25 |
XC9221D093ER-G | Soft-start externally set without integral protection function | FB type | 300kHz | USP-6C |
XC9221D093MR-G | Soft-start externally set without integral protection function | FB type | 300kHz | SOT-25 |
XC9221D095ER-G | Soft-start externally set without integral protection function | FB type | 500kHz | USP-6C |
XC9221D095MR-G | Soft-start externally set without integral protection function | FB type | 500kHz | SOT-25 |
XC9221D09AER-G | Soft-start externally set without integral protection function | FB type | 1.0MHz | USP-6C |
XC9221D09AMR-G | Soft-start externally set without integral protection function | FB type | 1.0MHz | SOT-25 |