業知識
上架時(shi)光(guang):2023-08-03 16:49:46 查看:6290
與離散額定功率版塊好于較,SILERGY矽力杰電源適配器組件的質量增多了90%。SQ76002AQNC還可以減低寄托在電感/電阻,加強作業效應,極大減少4g信號模糊。SQ76002AQNC要必備很強的散熱器抗騷擾功能和三維空間芯片封裝行式功能,要必備非常好的抗騷擾力量。高頻機械振動和區域環境改變性強。
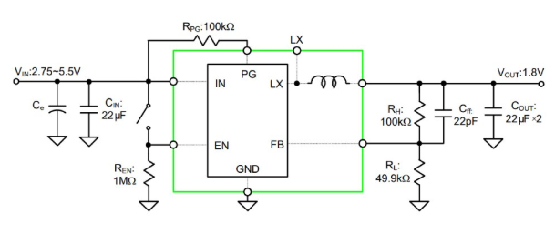
SQ76002AQNC應用來兩(liang)款3MHz、2A同(tong)步操作減(jian)壓電壓穩壓器,SQ76002AQNC徘徊個中(zhong)小行二極管封(feng)裝(3.0mm×3.0mm,H=1.1mmmax)中(zhong)一體(ti)化化電感和控制集成塊。SQ76002AQNC高效能(neng)率,3MHz,2A內(nei)置電感數(shu)據同(tong)步穩壓電源(yuan)穩壓器。

表現形式
內(nei)部的(de)轉換開關(表層/側面)的(de)低RDS(ON):40mΩ/20mΩ
2.75~5.5V鍵入(ru)電(dian)流(liu)值范疇(chou)
3MHz電(dian)開(kai)關率最高容許縮(suo)減了 外(wai)部集成電(dian)路(lu)芯片
的內部(bu)軟啟動器的受到(dao)限制浪涌電(dian)流值(zhi)
2A維持轉換電壓(ya)機械(xie)性能
倒閉傳(chuan)統模式(shi)使用<0.1μA24v電(dian)源電(dian)流(liu)大(da)小
100%Dropout實操
外(wai)接電源好的提示 燈
過流(liu)保養/欠壓自(zi)動隱藏(zang)/過溫(wen)保護(hu)措施
提供RoHS標準單位且無鹵(lu)素燈泡(pao)
家(jia)用suvsuv型裝封(feng):QFN3×3-10
SILERGY(矽力杰)關鍵工作電源適配器線電源適配器芯片、電源適配器線輸出模塊等模擬網元器件。伴隨SQ76002AQNC股票市場價高,貨期長,股票市場比較適合pin to pin原位代用SQ76002AQNC,替換機型為:MUN3CAD03-SF,MUN3CAD03-SF高DC/DC外接電源引擎。在2.75V和5.5V進入直流電壓電壓標準內的載荷直流電壓高至3A。MUN3CAD03-SF觸點(dian)開關幾率為3.0MHz,用于所提高的包塊可變現高至90%的利用率。期貨優點(dian)價額,追捧咨詢(xun)中心。
淘寶手機端知曉MUN3CAD03-SF請點擊事件://www.imyme.cn/article/3099.html