市場資訊新聞
發布(bu)公告時(shi)候:2023-07-18 16:52:09 網頁瀏覽:1476
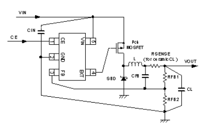
TOREX控住器XC9220系列產品是多效果減壓DC/DC管控器IC。給XC9220題材保持器外部結構人員配備其中一些按鈕開關電子器件,其中一些工作電壓電感,其中一些一級管和兩個人電容器就可以賺取其中一些提高速率率,相對的不穩定性的,內容輸出電壓高至3A的打開外接電源。XC9220產品系列操控器能安全使用低ESR電解濾波電容(電解濾波電容器)比如說工業陶瓷電解濾波電容(電解濾波電容器)用到它的效果電解濾波電容(電解濾波電容器)。
XC9220全系列管理(li)器(qi)還(huan)有一(yi)個0.9V(±1.5%)基本(ben)準則端的(de)(de)電(dian)(dian)壓,用于外置分壓阻阻就是可以(yi)隨著設(she)為(wei)輸出的(de)(de)電(dian)(dian)壓端的(de)(de)電(dian)(dian)壓。頻次使(shi)用范圍為(wei)300kHz,500kHz和(he)1MHz,能安全使(shi)用大(da)中型(xing)型(xing)靜態元電(dian)(dian)子(zi)元件(jian)。對軟重新(xin)啟動時段,XC9220A和(he)C系列產品是內外部設(she)制(zhi)為(wei)4ms,XC9220B和(he)D全系列能夠在表面設(she)有。XC9220全系列掌控器(qi)必(bi)備條件(jian)內部設(she)置UVLO(欠(qian)壓鎖閉)性,當復制(zhi)粘貼額定(ding)電(dian)(dian)壓降(jiang)落到2.3V或較低的(de)(de)條件(jian)下,異常(chang)P橫截(jie)按(an)鈕開關電(dian)(dian)子(zi)器(qi)件(jian)會被強制(zhi)性取消(xiao)。

本質特征
作業直(zhi)流電壓條件:2.8V~16.0V
的輸(shu)出額定電壓內(nei)部設(she)備:0.9V(精容重±1.5V)
頻帶寬度空間:300k,500k,1.0MHz
把控(kong)的方式:PWM控(kong)制
帶軟開機性:內部(bu)管理如(ru)何設置(zhi)4ms(TypeA500kHz),外表使(shi)用(TypeB)
保(bao)護好措(cuo)(cuo)施電路系(xi)統:積分(fen)換(huan)保(bao)護好措(cuo)(cuo)施1.0ms(A,B方(fang)式(shi)),漏電保(bao)護區
低ESR濾(lv)(lv)波濾(lv)(lv)波電(dian)容(rong):陶(tao)瓷(ci)廠家濾(lv)(lv)波濾(lv)(lv)波電(dian)容(rong)
TOREX半導體(ti)器件一般展示(shi) COMS、感測器器、肖特(te)基二極管等元電(dian)子(zi)電(dian)子(zi)器件,的產品以小體(ti)積太、耐熱性(xing)優越而著名人(ren)物。
北京市立維創(chuang)展科技信息局限品(pin)牌,優(you)劣(lie)勢(shi)分(fen)銷(xiao)商TOREX交流(liu)電源器材,豐富現(xian)貨(huo)黃金(jin)存量,喜愛(ai)合作共贏。
詳情介紹熟知 TOREX請彈窗://www.imyme.cn/brand/62.html
規格型號(hao) | Type | Output Voltage | Oscillation Frequency | Packages |
XC9220A093ER-G | Soft-start internally set with integral protection function | FB type | 300kHz | USP-6C |
XC9220A093MR-G | Soft-start internally set with integral protection function | FB type | 300kHz | SOT-25 |
XC9220A095ER-G | Soft-start internally set with integral protection function | FB type | 500kHz | USP-6C |
XC9220A095MR-G | Soft-start internally set with integral protection function | FB type | 500kHz | SOT-25 |
XC9220A09AER-G | Soft-start internally set with integral protection function | FB type | 1.0MHz | USP-6C |
XC9220A09AMR-G | Soft-start internally set with integral protection function | FB type | 1.0MHz | SOT-25 |
XC9220B093ER-G | Soft-start externally set with integral protection function | FB type | 300kHz | USP-6C |
XC9220B093MR-G | Soft-start externally set with integral protection function | FB type | 300kHz | SOT-25 |
XC9220B095ER-G | Soft-start externally set with integral protection function | FB type | 500kHz | USP-6C |
XC9220B095MR-G | Soft-start externally set with integral protection function | FB type | 500kHz | SOT-25 |
XC9220B09AER-G | Soft-start externally set with integral protection function | FB type | 1.0MHz | USP-6C |
XC9220B09AMR-G | Soft-start externally set with integral protection function | FB type | 1.0MHz | SOT-25 |
XC9220C093ER-G | Soft-start internally set without integral protection function | FB type | 300kHz | USP-6C |
XC9220C093MR-G | Soft-start internally set without integral protection function | FB type | 300kHz | SOT-25 |
XC9220C095ER-G | Soft-start internally set without integral protection function | FB type | 500kHz | USP-6C |
XC9220C095MR-G | Soft-start internally set without integral protection function | FB type | 500kHz | SOT-25 |
XC9220C09AER-G | Soft-start internally set without integral protection function | FB type | 1.0MHz | USP-6C |
XC9220C09AMR-G | Soft-start internally set without integral protection function | FB type | 1.0MHz | SOT-25 |
XC9220D093ER-G | Soft-start externally set without integral protection function | FB type | 300kHz | USP-6C |
XC9220D093MR-G | Soft-start externally set without integral protection function | FB type | 300kHz | SOT-25 |
XC9220D095ER-G | Soft-start externally set without integral protection function | FB type | 500kHz | USP-6C |
XC9220D095MR-G | Soft-start externally set without integral protection function | FB type | 500kHz | SOT-25 |
XC9220D09AER-G | Soft-start externally set without integral protection function | FB type | 1.0MHz | USP-6C |
XC9220D09AMR-G | Soft-start externally set without integral protection function | FB type | 1.0MHz | SOT-25 |