服務行業知識
公布的準(zhun)確時間:2023-07-20 17:01:44 查詢(xun):1530
SILERGY(矽力杰)SQ76001RCC是款3MHz、1.2A同樣穩壓電壓穩壓器,SQ76001RCC在個別規模性型封裝類型(2.5mm×2.0mm,H=1.1mm)中結合化輸出電感和結合處理器。SQ76001RCC高質量化,3MHz,1.2A內嵌式公率電感同時穩壓電壓穩壓器。

共同點
內部結構(gou)調控電源開關(邊側/底層)低RDS(ON):230mΩ/150mΩ
結合化電感以極(ji)限殘留量減少靜態集成電路(lu)芯片和PCB縱向設計的概(gai)念
2.5~5.5V電流(liu)電壓范圍圖
1.2A連(lian)繼性輸出精(jing)度電(dian)壓電(dian)流(liu)穩定性
3MHz高(gao)工做速率(lv)最大化局限性降(jiang)低了(le)(le)了(le)(le)外接模快(kuai)
內(nei)控軟(ruan)再啟動掌(zhang)控浪涌直流電
100%Dropout用
滿足(zu)了RoHS規(gui)范標準且(qie)無鹵(lu)素(su)燈泡
效果手動化充釋放電能(neng)實(shi)用(yong)功能(neng)
寬(kuan)敞(chang)型打包(bao)封(feng)裝:QFN2.5×2-8
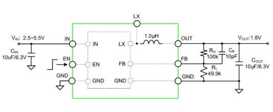
SILERGY(矽力杰)關鍵制造供電集成電路芯片、供電組件等虛擬元器件封裝。考慮到SQ76001RCC費用高,貨期長,市場中高性價比pin to pin原位充當SQ76001RCC,用作(zuo)主要參數(shu)為:MUN3CAD01-SB,MUN3CAD01-SB效率DC/DC電(dian)原引擎。在2.5V和5.5V鍵盤輸入(ru)電(dian)阻(zu)區(qu)域內(nei)的(de)(de)(de)瞬時電(dian)流瞬時電(dian)流高至1.2A時引發+1.8V讀取的(de)(de)(de)電(dian)壓。MUN3CAD01-SB按鈕(niu)開關速度(du)為3.0MHz,所采用所打造的(de)(de)(de)包塊可控制(zhi)高至90%的(de)(de)(de)生產率。現貨交易好處報價,歡(huan)迎(ying)圖(tu)片咨詢了解。。
寶貝詳情介紹MUN3CAD01-SB請點擊進入://www.imyme.cn/article/2669.html