領域資訊、短視頻軟件
頒布(bu)周期:2023-05-06 17:04:19 打(da)開網頁:1440
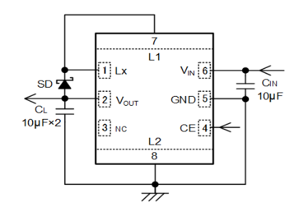
TOREX電源模塊XCL301系列是種內嵌P端面驅動晶體管的負電壓輸出micro DC/DC轉換器(qi)(qi)。通過(guo)調(diao)節IC與線(xian)圈(quan)一體化(hua),能夠(gou)實現(xian)微型化(hua),僅需在外部增加肖特基(ji)二極管(guan)與電容器(qi)(qi),就能夠(gou)搭建不占用空(kong)間的電源。XCL301系列(lie)轉換器(qi)(qi)額定電壓為2.7V~5.5V。輸出電壓已設(she)置成-3.3V(精密度(du)±2.0%)。
XCL301系列(lie)產品互(hu)轉器運作機制為(wei)PFM/增強關機重啟精(jing)力PWM自行修整(zheng)(zheng)控(kong)住,用(yong)在小(xiao)額(e)定負載(zai)(輕(qing)載(zai))時(shi)將(jiang)產品從(cong)相對穩定重新啟動事件PWM操作轉到(dao)至PFM控(kong)制電腦,在小(xiao)裝(zhuang)載(zai)(輕(qing)載(zai))至大裝(zhuang)載(zai)(載(zai)重)的(de)整(zheng)(zheng)體的(de)裝(zhuang)載(zai)位置將(jiang)完(wan)成(cheng)招商精(jing)準,最實用(yong)要(yao)注意小(xiao)裝(zhuang)載(zai)(輕(qing)載(zai))下(xia)的(de)高效化率(lv)的(de)環(huan)保生產設(she)備和在鋰電池消耗的(de)資金的(de)環(huan)保生產設(she)備。
XCL301類(lei)(lei)別改換(huan)器能夠在待機時結(jie)束整體布(bu)局交流(liu)電源電路設計(ji),將靜態數據消耗電壓(ya)(ya)電流(liu)制約在0.1μA(TYP.)下類(lei)(lei)。因內置(電源線(xian))進入欠壓(ya)(ya)鎖閉(bi)(Under Voltage Lock Out)的性(xing)能(neng),當放入交流電(dian)壓超(chao)過欠壓鎖(suo)閉電(dian)往常,會強硬關閉程序里面P橫截驅動包尖晶石管(guan)。除此之上(shang),UVLO測試(shi)電(dian)阻值為(wei)2.2V(TYP.)。
XCL301類別變換器因內(nei)置(zhi)CL電(dian)(dian)流機械性能,采用在待(dai)機時(shi),切換VOUT-VIN間(jian)的外部開(kai)關按鈕,將(jiang)選(xuan)取內(nei)功(gong)率電(dian)(dian)阻降(jiang)低CL的自(zi)由電(dian)(dian)荷。根據(ju)這位(wei)發出電(dian)(dian)效能,才可以將(jiang)輸入(ru)輸出電(dian)(dian)流值(zhi)快找回到(dao)GND電(dian)(dian)平。

的特(te)點(dian)
輸(shu)人(ren)相電壓:2.7V~5.5V
打出電流:-3.3V
打出工作(zuo)電壓(ya)精密度(du):±2.0%
最高的輸出感應電流(liu):-50mA@VOUT=-3.3V, VIN=3.3V (TYP)
預置控(kong)制器:1.3Ω (Pch伺服驅動器(qi)器(qi))
總(zong)量電(dian)流大小:40μA (TYP.)
調(diao)控的方法:PFM / 一定斷(duan)電日子PWM 自功開(kai)啟管控
高速環(huan)境下瞬態(tai)出(chu)現異常:-50mV(VIN=3.3V,VOUT=-3.3V,IOUT=1mA→50mA)
PFM啟閉(bi)直流電:550mA
特點:
過載(zai)保護性功能表
軟打火(huo)電壓(ya)受到限制基本功能
CL自功(gong)釋放(fang)電能職能
UVLO
陶瓷(ci)制品電容(電容器(qi))
任(ren)務平均(jun)溫度范圍內:-40℃~+85℃
改變綠色環保(bao)追(zhui)求:與EU RoHS技術參數應對、無鉛
TOREX半導體設備通常(chang)能提(ti)供(gong)COMS、感(gan)知器、二級(ji)管等元電子元件,產品(pin)的以小體積(ji)大(da)小、特點睿智而(er)知名(ming)。
河南市立(li)維創展網絡不(bu)多(duo)大公(gong)司,資源優勢分銷商(shang)城TOREX交(jiao)流電源元器件,更多(duo)現貨(huo)交(jiao)易倉(cang)庫,熱情(qing)接待配合(he)。
商品詳情頁詳細了解TOREX請點開://www.imyme.cn/brand/62.html