互聯網行業知識
分享(xiang)時期:2018-06-06 10:47:01 打開網頁(ye):8264
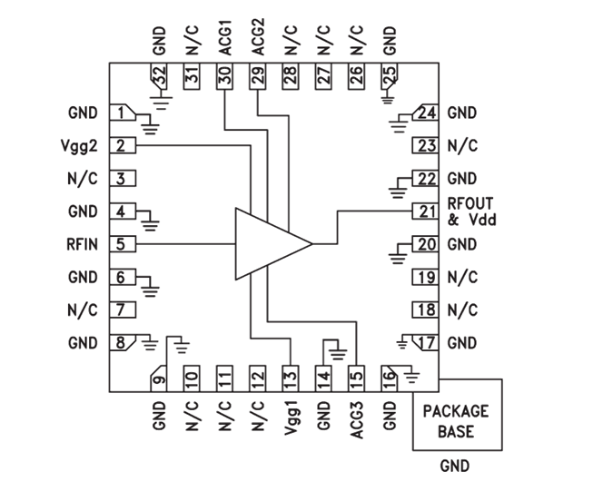
HMC797APM5E都(dou)是款GaAs MMIC pHEMT布局(ju)式電(dian)電(dian)功率調(diao)小器(qi),事情次數規(gui)模為(wei)DC至(zhi)22 GHz。該調(diao)小器(qi)提供了13.5 dB增益值(zhi)控(kong)制(zhi)值(zhi)、39 dBm輸送精度IP3和(he)+28 dBm輸送精度電(dian)電(dian)功率(1 dB增益值(zhi)控(kong)制(zhi)值(zhi)縮(suo)短),顯(xian)卡功耗為(wei)400 mA(運(yun)用+10 V電(dian)源(yuan)適配(pei)(pei)器(qi))。該多(duo)工作PA在4至(zhi)20 GHz規(gui)模內(nei)具備正(zheng)增益值(zhi)控(kong)制(zhi)值(zhi)斜(xie)率,進而(er)相當(dang)適于EW、ECM、統(tong)計(ji)和(he)測試英文設配(pei)(pei)運(yun)用。HMC797APM5E調(diao)小器(qi)I/O內(nei)部(bu)組織(zhi)自(zi)動相匹配(pei)(pei)至(zhi)50 Ω,方便快(kuai)捷ibms到(dao)多(duo)集成ic控(kong)制(zhi)器(qi)(MCM)中(zhong),運(yun)用無引腳QFN 5×5 mm表貼封裝形(xing)式,不能自(zi)己外接自(zi)動相匹配(pei)(pei)元器(qi)件。
| 品牌 | 型號 | 描述 | 貨期 | 庫存 |
| ADI |
HMC797APM5E HMC797APM5ETR |
GaAs pHEMT MMIC 1 W功率放大器,DC - 22 GHz | 現貨 | 55 |
利用
HMC797APM5E優勢和特點
HMC797APM5E結構圖
