這個行業手游資訊
發布新聞(wen)日期(qi):2018-07-05 11:08:07 閱讀:1977
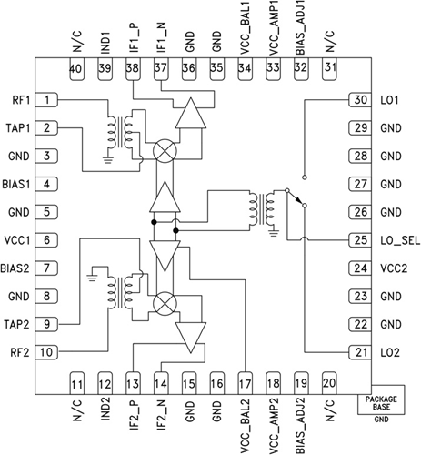
HMC683LP6C(E)是一款高線(xian)性度、雙(shuang)通(tong)道(dao)下變頻(pin)器(qi),集(ji)成LO放(fang)大器(qi),采用(yong)6x6 SMT QFN封裝,工作頻(pin)率(lv)為(wei)0.7 - 1.0 GHz。 LO驅動為(wei)0 dBm時(shi),3G和(he)4G GSM/CDMA應用(yong)可(ke)以獲(huo)得+23 dBm的出色輸入IP3下變頻(pin)性能。 采用(yong)1 dB (+11 dBm)壓(ya)縮時(shi),RF端(duan)口(kou)支持各種(zhong)(zhong)輸入信(xin)號(hao)電(dian)平。立維(wei)創展HMC683LP6C 轉換增(zeng)益典型值為(wei)7.5 dB。 60 - 500 MHz的IF頻(pin)率(lv)響應能夠滿足各種(zhong)(zhong)GSM/CDMA接收頻(pin)率(lv)規劃要求。
| 品牌 | 型號 | 描述 | 貨期 | 庫存 |
| ADI |
HMC683LP6CE HMC683LP6CETR |
高IP3雙通道下變頻器SMT,集成LO開關,0.7 - 1.0 GHz | 現貨 | 223 |
HMC683LP6CE技術應(ying)用
HMC683LP6CE優勢和特點
HMC683LP6CE結構圖
