HMC685LP4E/HMC685LP4ETR高新動態標準集成式LO調小器 ADI外盤
發布公(gong)告時(shi)候:2018-07-05 11:41:27 看:2117
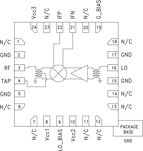
HMC685LP4(E)就是款高動態數據範圍無源MMIC混頻器,智能家居控制LO變小器,選用4x4 SMT QFN封裝形式,工作任務頻率為1.7 - 2.2 GHz。 LO驅動安裝為0 dBm時,3G和4G GSM/CDMA操作能能刷快+32 dBm的不錯手機鍵盤輸入IP3下變頻器能力。 選用1 dB (+27 dBm)擠壓時,RF接口幫助一些手機鍵盤輸入無線信號電平。 改變耗費主要數值8 dB。 DC至500 MHz的IF頻率異常還可以考慮GSM/CDMA試射或收發頻率開發計劃規定。 HMC685LP4(E)與HMC684LP4(E)引腳兼容,前者就是款智能家居控制LO變小器的700 - 1,000 MHz混頻器。
|
品牌
|
型號
|
描述
|
貨期
|
庫存
|
|
ADI
|
HMC685LP4E
HMC685LP4ETR
|
集成LO放大器的BiCMOS混頻器,1.7 - 2.2 GHz
|
現貨
|
158
|
HMC685LP4應用(yong)
-
蜂窩/3G和LTE/WiMAX/4G
-
基站和中繼器
-
GSM、CDMA和OFDM
-
發射機和接收機
HMC685LP4優勢和特點
-
高輸入IP3:+35 dBm
-
8 dB轉換損耗(0 dBm LO)
-
針對低端LO輸入優化
-
可調電源電流
-
上變頻和下變頻應用
-
24引腳4x4mm SMT封裝:16mm2
HMC685LP4結構圖
