市場介紹
上線時(shi)期:2018-07-05 10:57:04 搜索:2474
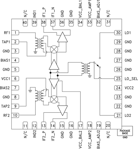
HMC682LP6C(E)是一款(kuan)高線性(xing)度(du)、雙通道下變(bian)(bian)頻(pin)(pin)器(qi),集成(cheng)LO放大(da)器(qi),采(cai)用(yong)6x6 SMT QFN封裝,工作頻(pin)(pin)率為(wei)(wei)1.7 - 2.2 GHz。 該器(qi)件針對3G和4G GSM/CDMA應用(yong)提供+25 dBm的(de)出色(se)輸(shu)入IP3性(xing)能(neng)以(yi)進行下變(bian)(bian)頻(pin)(pin),LO驅動(dong)為(wei)(wei)0 dBm。立維創展 HMC682LP6C(E)RF端(duan)口(kou)的(de)輸(shu)入1 dB壓縮為(wei)(wei)+15 dBm,可(ke)支持寬范圍(wei)輸(shu)入信號電平。 轉換增益典型值為(wei)(wei)6 dB。 60 - 400 MHz IF頻(pin)(pin)率響應滿足各種GSM/CDMA接(jie)收頻(pin)(pin)率規劃要(yao)求(qiu)。
| 品牌 | 型號 | 描述 | 貨期 | 庫存 |
| ADI |
HMC682LP6CE HMC682LP6CETR |
高IP3雙通道下變頻器,采用SMT封裝,集成LO開關 ,1.7 - 2.2 GHz |
現貨 | 258 |
HMC682LP6CE選用(yong)
HMC682LP6CE優勢和特點
