HMC383LC4/HMC383LC4TR萬能MMICwin7驅動調小器 ADI外盤微商地區代理
發(fa)布消息時(shi)光:2018-06-29 13:42:06 搜索:2345
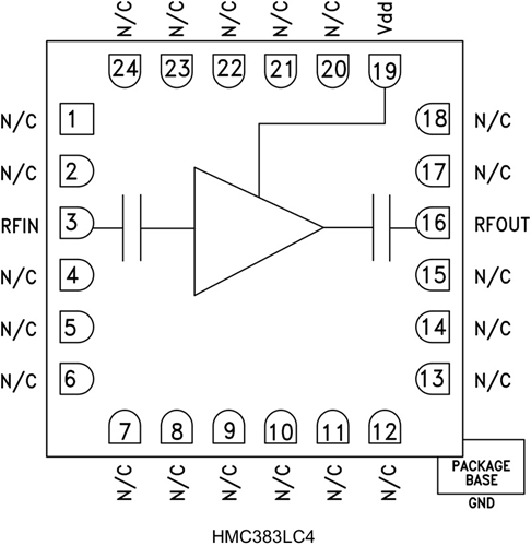
HMC383LC4都是款適用的GaAs PHEMT MMIC伺服控制器程序拖動器,采取不具有RoHS標的無引腳SMT封裝。 該拖動器采取+5V單電源線,增加收益為15 dB,是處于飽和狀態任務效率為+18 dBm。 在正個任務頻帶寬度內存在同步的增加收益和輸出任務效率,所以是可以在倆個wifi電頻段運行同一個適用的的伺服控制器程序器/LO拖動器。 隔直RF I/O配對至50 Ω,運行以便于。 HMC383LC4采取不具有RoHS標的無引腳4x4 mm 封裝,兼容外層貼裝制造廠技能。
|
品牌
|
型號
|
描述
|
貨期
|
庫存
|
|
ADI
|
HMC383LC4
HMC383LC4TR
|
中等功率放大器SMT,12 - 30 GHz
|
現貨
|
337
|
HMC383LC4應用(yong)
-
點對點無線電
-
點對多點無線電和VSAT
-
測試設備和傳感器
-
HMC混頻器LO驅動器
-
軍事和太空
HMC383LC4優勢和特點
-
增益: 15 dB
-
飽和輸出功率: +18 dBm
-
輸出IP3: +25 dBm
-
單正電源:
+5V (100 mA)
-
50 Ω匹配輸入/輸出
-
符合RoHS標準的4x4 mm封裝
HMC383LC4結構圖
