HMC634LC4/HMC634LC4TR驅動程序放小器瓷磚表貼打包封裝 ADI期貨
更新時:2018-06-29 11:34:17 打(da)開網頁:1990
HMC634LC4是款GaAs PHEMT MMIC能夠放小器,選擇無鉛4x4 mm陶瓷制品表貼封裝形式,工作中的頻繁規模為5至20 GHz。 該放小器帶來了高達獨角獸21 dB的增加收益、+29 dBm打出IP3及+22 dBm的打出電機功率(1 dB增加收益壓解時),顯卡功耗為180 mA(+5V電源適配器)。 HMC634LC4能夠放小器無比是和工作中的頻繁規模為5至20 GHz的徽波無線網電app,電流值可偏置為+5V (130 mA)以帶來了較低增加收益并可以改善PAE。 隔直放小器I/O識別50 Ω,免外表識別開關元件。
|
品牌
|
型號
|
描述
|
貨期
|
庫存
|
|
ADI
|
HMC634LC4
HMC634LC4TR
|
驅動放大器,采用SMT封裝,5 - 20 GHz
|
現貨
|
251
|
適用
-
點對點無線電
-
點對多點無線電和VSAT
-
混頻器LO驅動器
HMC634LC4優勢和特點
-
增益: 21 dB
-
P1dB: +22 dBm
-
飽和功率:
+23 dBm (17% PAE)
-
單電源電壓: +5V (180 mA)
-
50 Ω匹配輸入/輸出
-
24引腳4x4mm
SMT陶瓷封裝: 16mm2
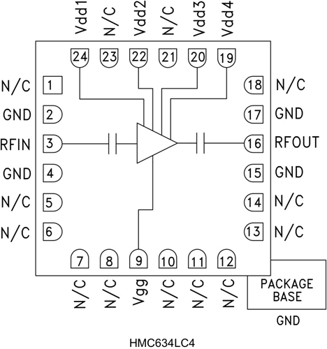
HMC634LC4結構圖
