HMC-APH596/HMC-APH596-SX多級GaAs HEMT MMIC中低檔瓦數放小器 ADI期貨
發布公告時:2018-06-29 11:18:34 訪問 :1834
HMC-APH596不是款兩極GaAs HEMT MMIC一般事情電壓降放小器,事情頻次依據為16至33 GHz。 HMC-APH596帶來17 dB收獲,分為+5V電源適配器電壓降時含有+24 dBm輸入事情電壓降(1 dB文件壓縮)。 各種焊盤和集成ic背部都進行Ti/Au黑色金屬化,放小器已完完全全鈍化以保證 可靠性方法。
HMCAPH596 GaAs HEMT MMIC中低輸出功率拖動器兼容中國傳統的基帶存儲芯片貼裝方式,與熱縮減和熱超聲波線電工藝,極其最合適MCM和攪拌微電路設計廣泛應用。 在這兒展現的那些數據文件均是基帶存儲芯片在50 Ω區域環境下的使用RF溫度探頭接觸的面積測量。
|
品牌
|
型號
|
描述
|
貨期
|
庫存
|
|
ADI
|
HMC-APH596
HMC-APH596-SX
|
MMIC中等功率放大器,16至33 GHz
|
現貨
|
323
|
使用
HMC-APH596優勢和特點
-
輸出IP3: +33 dBm
-
P1dB: +24 dBm
-
增益: 17 dB
-
電源電壓: +5V
-
50 Ω匹配輸入/輸出
-
裸片尺寸:
2.55 x 1.87 x 0.1 mm
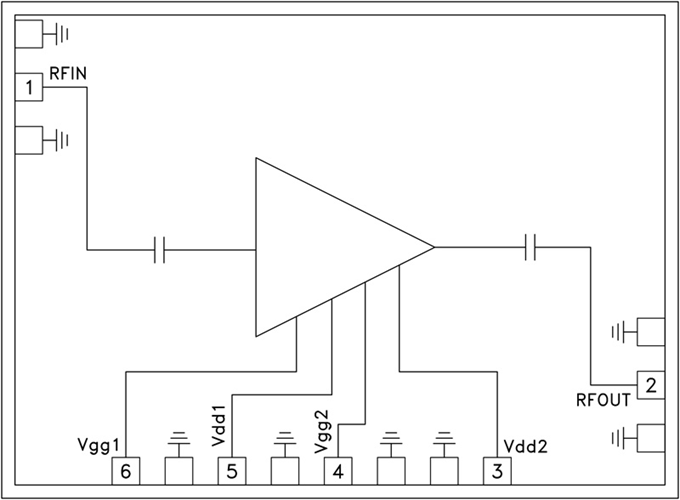
HMC-APH596結構圖
