市場訊息
發布(bu)了時候:2019-10-08 14:54:27 閱讀(du):2067
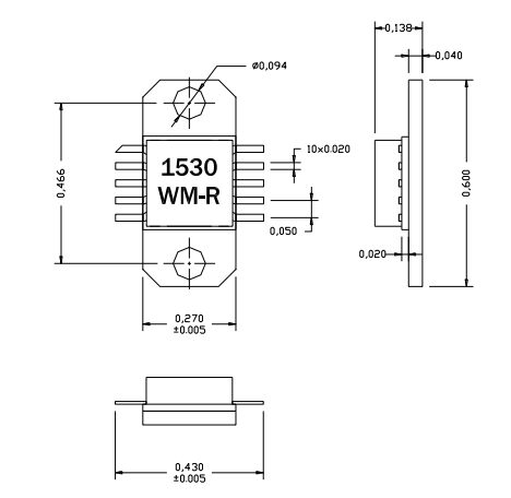
AM153040WM-EM-R耗油率變大器是美式AMCOM工廠的MMIC變大器,該耗油率拖動器以移動寬帶調小器(qi)集成(cheng)電路芯片為優(you)點,體現了極佳的線形(xing)曲線美和繼續不(bu)穩,密切利(li)用(yong)在定(ding)位安全可靠、聲納、航班、儀表板、通信基站(zhan)等場所
AM153040WM-EM-R電機功率變(bian)小器(qi)是兩第一階段gaas-hifet-phemt-mmic功效放(fang)小器,與50歐(ou)姆(mu)的(de)搜索和模擬輸出完(wan)整切換,具備著18db的(de)增益值和38dbm的(de)12v的(de)輸出電率,因整流電(dian)熱效率大散熱性能,AM153040WM-EM-R瓦數(shu)調大器需使(shi)用在機械設備的合金(jin)金(jin)屬散熱(re)器片上

AM153040WM-EM-R為重要性(xing)能(neng)
速度:1.4-3.4GHz
增益(yi)值:18
P1dB(DBM):37
PSAT(DBM):38
成功率:30
VD(V):12
AM153040WM-EM-R使用
個體戶網(wang)吧電腦通信(xin)基站
GPS用(yong)
MMDS
wlan局域網ip中繼器
10V–13V采用
武漢市立維創展網絡有限(xian)制的大公司(si)是澳大(da)利亞AMCOM單位總經(jing)銷商,其核心(xin)徽波(bo)聯通寬帶(dai)的產品收(shou)錄(lu)rf射頻(pin)結晶(jing)管(guan)、MMIC瓦數擴大(da)器(qi)、比調(diao)擴大(da)器(qi)方案(an)、光纖寬帶(dai)擴大(da)器(qi)、高瓦數擴大(da)器(qi)方案(an)、帶(dai)RF和(he)DC相射頻(pin)連接(jie)器(qi)的高公率變(bian)(bian)大(da)器(qi)輸出模塊和(he)低噪音(yin)變(bian)(bian)大(da)器(qi),公率變(bian)(bian)大(da)器(qi),啟閉,衰減(jian)器(qi),移相器(qi)或(huo)者上/下側直流變(bian)(bian)頻(pin)器(qi)這一物件的定制開發。
情況知道請彈框:山(shan)東(dong)市立維創展(zhan)新(xin)材料(liao)技術非常有(you)限集團公司