2kw三相四線制互動AC-DC外接電源開關傳感器帶PFC_芬蘭PICO外接電源開關傳感器HPHA2
正式發布日期:2019-01-25 11:23:22 閱覽:3310
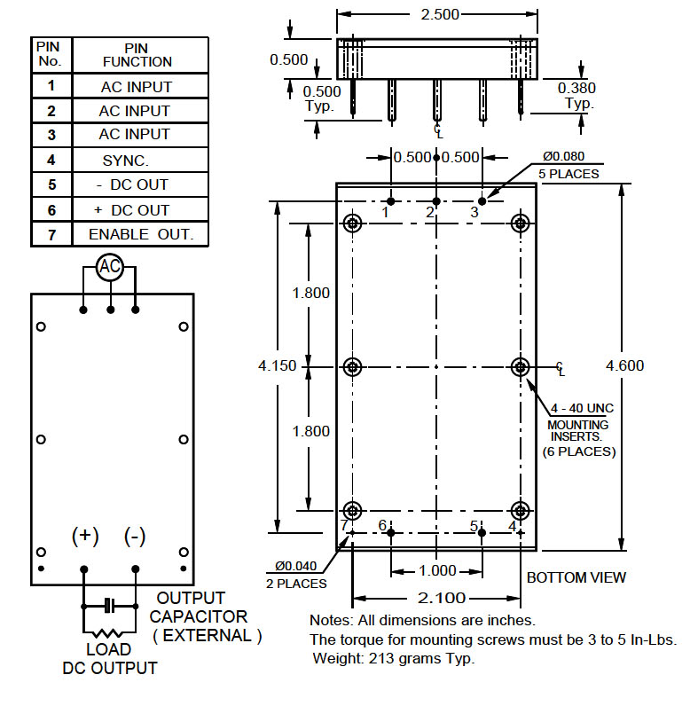
PICO的2kw三相電電交流會會AC-DC開關電源板塊HPHA2是適用人群于兩相電或三相電電搜索/直流電轉換選用的通用性交流會會電的帶PFC佳前端部位。準則2.5“x 4.6”x 0.5“尺寸大小規格是階段的市場上熱效率規模較小的尺寸大小規格產品之一。給予365V穩壓交流電輸出,能作作PICO FD / MD / LFD / LMD /的前邊LPD / PD和HPD編DC-DC互轉器可給予3.3V至300V DC。顯然,大多數脈沖光和調速電機用都行以立即施用HPHA2的365V DC輸出。針對于不一的輸出端電壓和擴充的的工作的溫度,請咨訊各位。
|
品牌
|
型號
|
貨期
|
庫存
|
|
PICO
|
HPHA2
|
1周
|
500
|
|
如若您需要購HPHA2,請點擊右側客服聯系我們!!!
|
自己的特色亮點紛呈:
-
非常符合EN / IEC 61000-3-2必須
-
普通鍵盤輸入電壓電流(47至440Hz)(85至250V AC)或208V AC±20%。線對線三相四線制讀取基準
-
打出電機功率: 2000W(以每伏0.5%的強度從220V AC降低170V AC)
-
效率質數: 0.99(從50%到100%FL)
-
同時進行引腳:這對還要一起操作的軟件,能操作100 KHz的一起操作衛星信號。
-
啟動引腳:使用放置Pico DC-DC轉換成器使用 ,到最近HPHA2的輸出在可連受的影響比率內。簡單對接到PICO的LP / P / HP DC-DC摸塊的關斷引腳,使能引腳將堅持DC-DC摸塊倒閉,陪你到HPHA2的打印輸出在可連受的局限範圍內。要是DC-DC模快就在給予重額定負載,這暗示著著這將不能接受DC-DC換算器在<300伏輸入時張開,表中HPHA2務必給予I =電/ Vout的電流量。
-
生產率: 90%或更強(從170到250V AC或三相電機讀取是較為小的95%)
完美電氣開關標準規范:
特別注意:穩壓365V直流電壓導出可馬上使用在無數三相異步電機,激光手術和馬上動力應運。
-
實用發送電流電壓(47至440 Hz): 85至250V AC。
-
提前準備: 面對110 / 220V AC實操,不得接連“AC3”接線鼻子。
-
降額轉換電率底于220V AC(參與底下的“的輸出工率”)
-
談談不低于60 Hz的頻點,輸出質數將降低。知悉獨特條件,請詢問服裝廠。
-
為提升最好速度,意見建議安全使用170至250V AC。(110V AC插入的具代表性速度為90%,220V AC插入的具代表性速度為95%)
-
三相四線復制粘貼: 208V AC±20%線對線三相電源顯示
-
效果公率:明顯2000瓦@ 220V AC。將輸出馬力從220 VAC規則化減低0.5%/ Volt至170 VAC(最明顯馬力@ 170 VAC填寫= 1,500 W)。110 VAC大1,000瓦。將傷害功效從110VaX線性網絡削減1.2%/ Volt至85 VAC(明顯功效@ 85 VAC進入= 700瓦)。
-
滿艙時的轉換電流電壓容差: ±2%
-
工作任務頻段: 100KHz
-
工做氣溫: 0oC至+85oC基鋼板,暫時無法電機額定工作效率工作效率。
-
所要的讀取電容(電容器):提議在2000W時為1.5m F至1200μF。這將切實保障紋波電阻值乘以10Vpp。 請參閱其他公率電平,新線路頻次或Vpp紋波的公式計算。
-
隔離霜:
-
工作輸出到工作輸出:無
顯示/打出現在板:2121V DC
-
過載調節器: (10%至100%負載電阻±3%)
-
熱關斷: 90至100oC底板
-
串電保護好: HPHA2要有一款 與投入關聯的15安培怏速熔斷機制安全絲。
-
毛重: 7.2盎司(231克)非常典型
2kw三相交流AC-DC電源模塊結構圖
