HMC442LM1/HMC442LM1TR電率變成器 ADI期貨
公布的時長(chang):2018-06-27 16:42:54 瀏(liu)覽記錄:1958
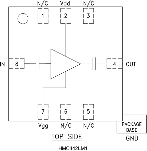
HMC442LM1是一個款帶寬17.5至24 GHz GaAs PHEMT MMIC中檔電率調小器,按照SMT無引腳電源適配器處理器媒介處理器打包封裝。 LM1按照真的表貼帶寬厘米波處理器打包封裝,給出數據低損失和表現出色的I/O連接,并保持良好MMIC電源適配器處理器性能指標。 該調小器給出數據14 dB增益值,飽滿電率為+23 dBm(27% PAE時),電源適配器工作電壓為+5V。
50 Ω匹配好放小器在RF搜索和傳輸端上集成系統隔直,更加合適代替線形收獲模塊電源、使用鏈控制下載器或HMC SMT混頻器LO控制下載器。 為處理器和電纜分層部件的代替品電子元器件,HMC442LM1不能不線焊,得以為顧客給出同一的電源接口。
|
品牌
|
型號
|
描述
|
貨期
|
庫存
|
|
ADI
|
HMC442LM1
HMC442LM1TR
|
中等功率放大器,采用SMT封裝,17.5 - 24.0 GHz
|
現貨
|
212
|
HMC442LM1應用
HMC442LM1優勢和特點
-
飽和功率: +23 dBm (27% PAE)
-
增益: 14 dB
-
電源電壓: +5V
-
50 Ω匹配輸入/輸出
HMC442LM1結構圖
