HMC-APH633/HMC-APH633-SX/HMC-APH633-WP中級功效調大器 ADI期貨
上傳時間段:2018-06-26 15:26:00 搜(sou)素:6993
HMC-APH633也是款有級GaAs HEMT MMIC中低耗油率變大器,業務頻率規模為71至76 GHz。 HMC-APH633打造13 dB增益控制,用于+4V供電內容輸出功效時體現了+20 dBm內容輸出耗油率(1 dB壓縮視頻)。 各個焊盤和集成電路芯片后殼都經由Ti/Au材料化,變大器已是鈍化以建立可靠的方法。
HMC-APH633 GaAs HEMT MMIC中上工率拖動器兼容經典的基帶存儲芯片貼裝辦法,或是熱縮短和熱超聲心動圖線電工藝,異常更適合MCM和搭配微控制電路應用。 前方彰顯的全部數據報告均是基帶存儲芯片在50 Ω工作環境下選用RF攝像頭接觸的面積得出。
|
品牌
|
型號
|
描述
|
貨期
|
庫存
|
|
ADI
|
HMC-APH633
HMC-APH633-SX,HMC-APH633-WP
|
中等功率放大器芯片,71 - 76 GHz
|
現貨
|
206
|
HMC-APH633應用(yong)
-
短程/高容量鏈路
-
無線LAN網橋
-
軍事和太空
-
E波段通信系統
HMC-APH633優勢和特點
-
增益: 13 dB
-
P1dB: +20 dBm
-
電源電壓: +4V
-
50 Ω匹配輸入/輸出
-
裸片尺寸:
2.47 x 1.60 x 0.05 mm
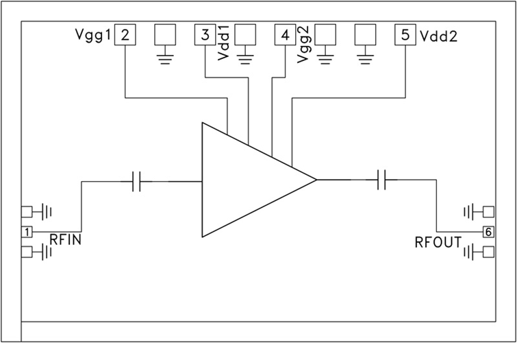
HMC-APH633結構圖
