HMC-APH634兩極GaAs HEMT MMIC中低工作效率調小器 ADI現貨平臺
上傳(chuan)時(shi)刻:2018-06-26 15:32:54 手機瀏覽(lan):7012
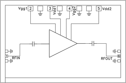
HMC-APH634是款多級GaAs HEMT MMIC中上工率圖像變大器電路原理,工做平率超范圍為81至86 GHz。 HMC-APH634出具12 dB收獲,進行+4V電源適配器時兼有+20 dBm模擬輸出工率(1 dB再再壓縮)。 其它焊盤和處理集成塊表面都經歷Ti/Au合金金屬化。 HMC-APH634 GaAs HEMT MMIC中上工率圖像變大器電路原理兼容傳統藝術的處理集成塊貼裝形式,或者熱再再壓縮和熱mri線電工藝,相當好MCM和混合著微電路原理操作。 在這兒顯現的其它動態數據均是處理集成塊在50 Ω氛圍下操作RF攝像頭學習得出。
|
品牌
|
型號
|
描述
|
貨期
|
庫存
|
|
ADI
|
HMC-APH634
|
中等功率放大器芯片,81 - 86 GHz
|
現貨
|
198
|
應用領域
HMC-APH634優勢和特點
-
高增益: 12 dB
-
高P1dB: +19 dBm
-
電源電壓: +4V
-
50 Ω匹配輸入/輸出
-
裸片尺寸:
2.57 x 1.70 x 0.05 mm
HMC-APH634結構圖
