HMC394LP4低躁聲GaAs HBT可編譯程序5位數值器 期貨
推送日子(zi):2019-02-26 17:20:32 挑選:1781
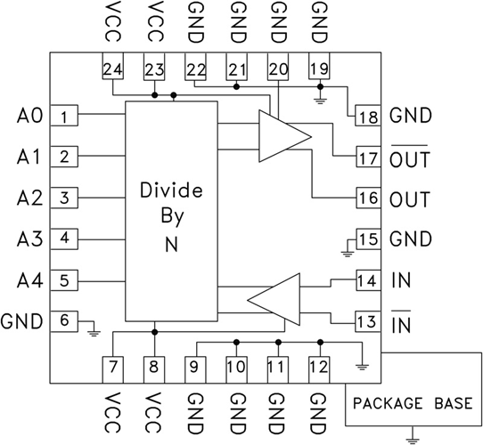
HMC394LP4(E)是一個款低的噪音GaAs HBT可java開發5位計算器器,運用4x4 mm無鉛外層貼裝裝封。 在讀取頻點高達到2.2 GHz時,該配件可在N為2至32領域進行連續不斷分頻。 工作輸出電壓值擺幅為800 mV,占空比與N關系不大。100 kHz減退時,該計算器器的加性SSB相位的噪音低至?153 dBc/Hz,至關適合低的噪音頻點獲得器用。
|
品牌
|
型號
|
貨期
|
庫存
|
|
ADI
|
HMC394LP4
|
1周
|
90
|
如果您還要選購HMC394LP4,請彈框右下客服熱線鏈接人們!!!
應用
優勢和特征
-
SSB相位噪聲: -153 dBc/Hz(100 kHz)
-
可選分頻:2至32
-
并行5位控制
-
寬輸入功率范圍: -20至+10 dBm
-
4x4 mm無鉛SMT封裝
示意圖

深圳市立維創展科技代理銷售ADI現貨產品,致力于為廣大客戶提供低價格、高質量、有保障的產品,提供優質的售前與售后服務技術。如您有任何產品需求以及服務請聯系我們客服人員,我們會再第一時間內為您解決問題。