行業領域新聞咨詢
頒布時刻:2019-02-25 11:12:58 預覽:2176
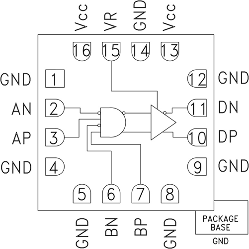
HMC746就(jiu)是一(yi)種(zhong)AND / NAND / OR / NOR能力,有(you)何意義兼容敢達13 Gbps的數據(ju)源傳遞速度和(he)敢達13 GHz的鐘表率。HMC746能夠很最易地運行環(huan)境(jing)為展(zhan)示(shi)一(yi)下其(qi)它結(jie)構功(gong)效(xiao):AND,NAND,OR和(he)NOR。HMC746還都具有(you)模擬(ni)輸出(chu)電平掌(zhang)握引腳VR,可保證自然損耗賠賞(shang)或的信號(hao)電平調優。
HMC746的其他放入和輸送表現均以50歐姆至V cc片內端接(jie),都可以是溝通交流(liu)(liu)或直流(liu)(liu)電源耦合電路。鍵(jian)入和輸出(chu)的能真接(jie)連(lian)結(jie)到(dao)50歐姆至(zhi)V cc端接模(mo)(mo)式,而倘若端接模(mo)(mo)式的接地50歐姆,則能(neng)能(neng)采(cai)用隔直電(dian)阻(zu)。HMC746所采(cai)用了+ 3.3V單24v電(dian)源供電(dian)設備,所采(cai)用了滿(man)足RoHS細則的工業(ye)陶瓷3x3 mm SMT芯片封裝。
倘若您需求定購HMC746LC3C,請鼠標單擊左測人工客服取得聯系咱們!!!
品牌
型號
貨期
庫存
ADI
HMC746LC3C
1周
90
運用
優勢和特征
22/21 ps
打出端電壓擺幅:600 - 1100 mV
SMT裝封:9mm2
示意圖
