HMC409LP4E/HMC409LP4ETR高率電功率圖像放大器電路 ADI外盤
發(fa)布(bu)的事件(jian):2018-06-26 11:07:05 查(cha)看(kan):7547
HMC409LP4(E)不是款效應率GaAs InGaP HBT MMIC工率放小器,作業的頻率位置為3.3至3.8 GHz。 該放小器選擇低的成本、無鉛SMT打包封裝。 它選擇少則的外表組件,提拱31 dB收獲,供大于求工率為+32.5 dBm,電原電阻為+5V。 工率控住(Vpd)可作于全省點經營模式或RF導出工率/直流電控住。 這對于+22 dBm OFDM導出工率(64 QAM, 54 Mbps),HMC409LP4(E)可保證 2%的計算誤差失量漲幅(EVM),而充分考慮WiMAX 802.16曲線度耍求。
|
品牌
|
型號
|
描述
|
貨期
|
庫存
|
|
ADI
|
HMC409LP4E
HMC409LP4ETR
|
1 W功率放大器SMT,3.3 - 3.8 GHz
|
現貨
|
237
|
HMC409LP4應用
-
WiMAX 802.16
-
固定無線接入
-
無線本地環路
HMC409LP4優勢和特點
-
增益: 31 dB
-
40% PAE (+32.5 dBm pout)
-
2% EVM (Pout = +22 dBm)
具有54 Mbps OFDM信號
-
+46 dBm輸出IP3
-
集成功率控制(Vpd)
-
+5V單電源
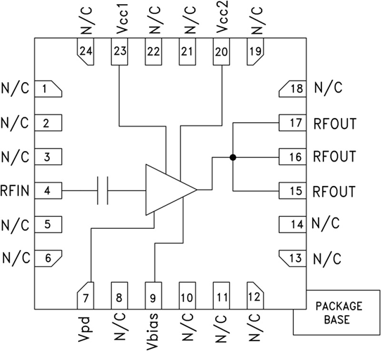
HMC409LP4結構圖
