HMC499LC4/HMC499LC4TR適中電機功率調大器無引腳 ADI現貨黃金
發布新(xin)聞時刻:2018-06-26 11:11:34 看:2173
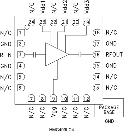
HMC499LC4都是款高動態信息區域GaAs PHEMT MMIC高的英語瓦數擴大器,運用非常符合RoHS基準的無引腳“無鉛”SMT封裝。 該擴大器有著21至32 GHz的事情區域,給出16 dB增加收益、+24 dBm過飽和瓦數和16% PAE(+5V外接電源交流電壓)。 隔直RF I/O適應至50 Ω,選擇簡單方便。 HMC499LC4不同線焊,可選擇表貼開發技術工藝。
|
品牌
|
型號
|
描述
|
貨期
|
庫存
|
|
ADI
|
HMC499LC4
HMC499LC4TR
|
中等功率放大器,采用SMT封裝,21 - 32 GHz
|
現貨
|
215
|
采用
-
點對點無線電
-
點對多點無線電和VSAT
-
測試設備和傳感器
優質(zhi)和特(te)征
-
輸出IP3: +34 dBm
-
飽和功率: +24 dBm (16% PAE)
-
增益: 16 dB
-
+5V(200 mA)電源
-
50 Ω匹配輸入/輸出
-
符合RoHS標準的4x4 mm SMT封裝
的結(jie)構圖
