餐飲行業新聞新聞
發布新(xin)聞(wen)精力(li):2019-02-20 16:00:57 瀏覽記錄(lu):1719
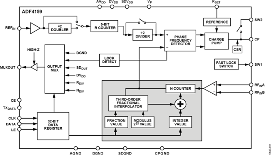
ADF4159WCCPZ由低噪聲(sheng)數(shu)字鑒頻鑒相(xiang)器(qi)(qi)(PFD)、精密電(dian)荷(he)泵和可編程參考分頻器(qi)(qi)組成(cheng)。 該器(qi)(qi)件內(nei)置一個(ge)Σ-Δ型小數(shu)插值器(qi)(qi),能夠實現可編程小數(shu)N分頻。 INT和FRAC寄存器(qi)(qi)可構成(cheng)一個(ge)總N分頻器(qi)(qi)(N = INT + (FRAC/225))。
ADF4159WCCPZ不錯選擇于體現頻移鍵控(FSK)和相移鍵控(PSK)配制。 還要點不錯選擇的頻繁打印拍照經營模式,可在頻域內形成各樣波形圖,如毛刺波和四角波。 打印拍照不錯設計為自動式來進行,也不錯設計為依據外鏈脈沖發生器人工手動開啟機組促發每一個步驟之一。 ADF4159WCCPZ極具周跳提高電路設計,可進一歩不但縮減更改時期,而無須調整環路濾波器。 其他片內寄存器均用簡短的四線式插孔做好操縱。 ADF4159使用2.7 V至3.45 V模擬仿真電和1.62 V至1.98 V數據電用電,都要時能關斷。
| 品牌 | 型號 | 貨期 | 庫存 |
| ADI | ADF4159WCCPZ | 1周 | 100 |
應用
優勢和特點
示意圖
