HMC847LC5快速4:1多路復接器 ADI外盤
發布公告耗時:2019-02-20 16:15:19 看:1768
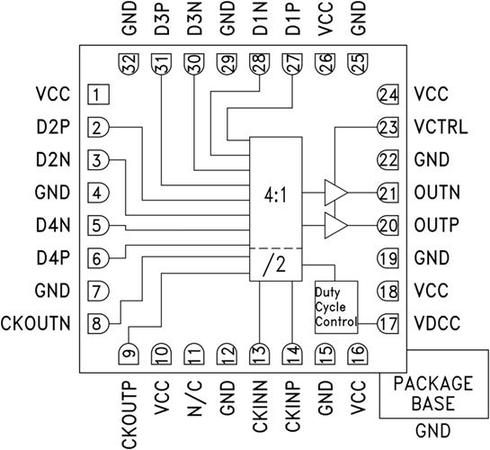
HMC847LC5就是款4:1多路重復應用器,設計方案應用于45 Gbps數據庫統計庫串行軟件。 多路重復應用器在輸出石英鐘的轉為點鎖存七個差分輸出。 該電子元器件應用半高速傳輸速度石英鐘的逐漸沿和減少沿來串行高速傳輸數據庫統計庫。 片內轉換1/4高速傳輸速度石英鐘輸出,與HMC847LC5的數據庫統計庫輸出同樣。
HMC847LC5的全部數字時鐘和的大數據讀取/輸人傳輸均主要包括CML并在片內50 Ω端接至VCC,可主要包括直流電或交換解耦。 HMC847LC5的讀取和輸人傳輸可主要包括差分或單端手機配置工作的。 HMC847LC5還融合是一個輸人傳輸電平操作引腳VCTRL,該用于耗率賠償金或訊號電平系統優化。 VDCC引腳操作的大數據輸人傳輸交疊點與占空比。 HMC847LC5主要包括+3.3V單24v電源供電公司,提供了合乎ROHS標準化的5x5 mm SMT封裝形式。
|
品牌
|
型號
|
貨期
|
庫存
|
|
ADI
|
HMC847LC5
|
1周
|
120
|
倘若您要消費HMC847LC5,請點開左側客戶服務中心結合我們大家!!!
HMC847LC5應用軟件
-
SONET OC-768
-
RF ATE應用
-
寬帶測試和測量
-
串行數據傳輸高達36 Gbps
-
高速DAC接口
HMC847LC5優勢和特點
-
支持高達36 Gbps的數據速率
-
半速率時鐘輸入
-
?速率參考時鐘輸出
-
快速上升和下降時間: 11/12 ps
-
可編程差分輸出電壓擺幅: 250 - 900 mVp-p
-
單電源: +3.3V
-
32引腳5x5mm SMT封裝: 25mm2
HMC847LC5示意圖
