HMC-AUH256北斗衛星無線通信四個維度帶動調大器 ADI現貨平臺
發(fa)布(bu)信息的時間:2019-02-20 15:38:45 查詢:1815
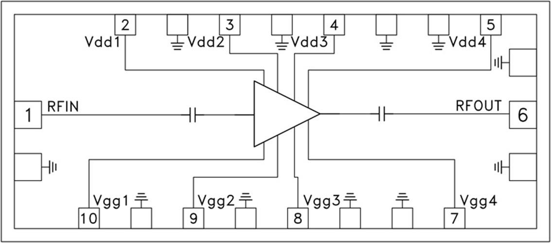
HMC-AUH256是一種款GaAs MMIC HEMT英語四級驅使變小器,操作幾率比率17.5至41 GHz。 原因尺寸較小(1.93 mm2),該電子器件可輕輕松松集成化到多電子器件模快(MCM)中。 HMC-AUH256在1 dB壓縮的點出具21 dB的收獲和+20 dBm的輸出精度功效,在使用+5V的偏置電源適配器(295 mA)。 HMC-AUH256還可以用作倍頻器。 保證 倍頻器操作的詳細說明偏置情況。
|
品牌
|
型號
|
貨期
|
庫存
|
|
ADI
|
HMC-AUH256
|
1周
|
100
|
要是您是需要定購HMC-AUH256,請打開右則客戶建立聯系自己!!!
運用
優勢和特點
-
增益: 21 dB
-
P1dB輸出功率: +20 dBm
-
寬帶性能:
17.5至41 GHz
-
電源電壓:
+5V (295 mA)
-
小尺寸芯片:
2.1 x 0.92 x 0.1 mm
示意圖
