AD7980BRMZ系數變為器ADC 微商代理期貨
發布的日(ri)期:2019-02-18 14:46:26 預覽:2021
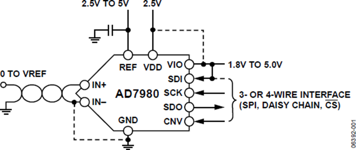
AD7980BRMZ是款16位、逐次將近型變位系數轉變器(ADC),主要采用單電源開關開關(VDD)變電。它內設一款低工作的電流值、快速、16位取樣ADC和一款多能力串行usb接口端口設置。在CNV持續上升沿,該元器件對IN+與IN-兩者之間的仿真模擬讀取的電流值差采取取樣,區間從0 V至REF。國家標準的電流值(REF)由外鏈展示,并能夠 單獨于電源開關開關的電流值(VDD)。工作的電流值和吞吐傳送速度呈線型變換問題。
SPI兼容串行接頭還可利用SDI讀取,將幾條ADC以玫瑰花鏈結構類型對接到一只四線式系統總線上,并展示 先選的繁華指示燈。選用自立電VIO時,它與1.8V、2.5V、3V和5V方法論兼容。
AD7980BRMZ應用10引腳MSOP裝封或10引腳QFN (LFCSP)裝封,操作濕度范圍圖為?40°C至+125°C。
|
品牌
|
型號
|
貨期
|
庫存
|
|
ADI
|
AD7980BRMZ
|
1周
|
20
|
倘若您要購AD7980BRMZ,請點開右邊客戶電話聯系各位!!!
AD7980BRMZ用
AD7980BRMZ優勢和特點
-
16位分辨率、無失碼
-
呑吐速率:1 MSPS
-
低功耗
4 mW(1 MSPS,僅VDD)
7 mW(1 MSPS,總功耗)
70 μW (10 kSPS)
-
INL:典型值±0.6 LSB,最大值±1.25 LSB
-
信納比(SINAD):91.25 dB(10 kHz時)
-
THD:-110 dB(10 kHz時)
-
欲了解更多特性,請參考數據手冊
AD7980-EP的支持防務和南航航空材料應運(AQEC標準的)
-
下載AD7980-EP數據手冊(pdf)
-
受控制造基線
-
唯一封裝/測試廠
-
唯一制造廠
-
增強型產品變更通知
-
認證數據可應要求提供
-
軍用溫度范圍(?55℃至+125℃)
-
V62/12640 DSCC圖紙號
AD7980BRMZ示意圖
