領域咨詢
發表時(shi)長(chang):2019-02-14 10:45:43 查看:1720
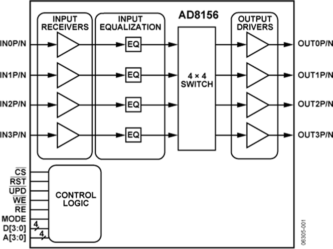
AD8156ABCZ都(dou)是Xstream系類(lei)物品,都(dou)是款高速路、是完全差(cha)(cha)成績排名字交(jiao)(jiao)差(cha)(cha)點(dian)(dian)(dian)觸(chu)點(dian)(dian)(dian)觸(chu)點(dian)(dian)(dian)旋轉開關(guan)(guan)。該功率器件可用(yong)來4 × 4交(jiao)(jiao)差(cha)(cha)點(dian)(dian)(dian)觸(chu)點(dian)(dian)(dian)觸(chu)點(dian)(dian)(dian)旋轉開關(guan)(guan),含有(you)雙(shuang)鎖存式(shi)儲備器,同意一同更行(xing);可能用(yong)來雙(shuang)節點(dian)(dian)(dian)2 × 2交(jiao)(jiao)差(cha)(cha)點(dian)(dian)(dian)觸(chu)點(dian)(dian)(dian)觸(chu)點(dian)(dian)(dian)旋轉開關(guan)(guan),并提供了簡(jian)單輸送(song)管控(kong)系統。不僅(jin)而且還(huan)含有(you)低能耗基本特(te)征;以3.3 V電壓用(yong)電,還(huan)大多數(shu)輸送(song)和(he)填(tian)寫營(ying)養均衡器均控(kong)制主題(ti)活動的(de)情況時,先進典型能耗為700 mW。它能以DC至6.25 Gbps(每網口)范圍內(nei)內(nei)的(de)所(suo)有(you)的(de)數(shu)據源時延(yan)運作。
AD8156的每鍵盤顯示入口通道均預置個可程序設計鍵盤顯示平均器,用作征收土地賠償背板數據消耗的資金。 AD8156的穩定輸出的電壓可兼容互動交流交叉交叉耦合和直流電壓交叉交叉耦合3.3 V、2.5 V或1.8 V CML,或者3.3 V LVPECL數劇電平。的控制數據接口為LVTTL和LVCMOS兼容型(3.3 V)。因為細化方式 、盡概率減掉阻抗搭配不搭配不良現象,該元器件還集就成為了全部一定要的輸出的電壓和輸出的電壓端接熱敏電阻。輸出的電壓均衡性器和不需的輸出的電壓可以獨自關閉,因此使工作電壓調至最低值。 AD8156ABCZ分為49引腳、8 mm × 8 mm、BGA封裝類型,引腳間隔距離為1 mm;運作溫的的范圍為?40°C至85°C工業園溫的的范圍。
| 品牌 | 型號 | 貨期 | 庫存 |
| ADI | AD8156ABCZ | 1周 | 50 |
APP
AD8156ABCZ結構圖
