HMC515LP5E/HMC515LP5ETR雙正負極晶狀體管 ADI經銷商期貨
披露時長:2019-01-23 09:49:37 手機瀏覽:2075
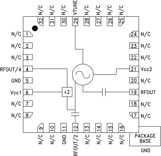
HMC515LP5E就是一款GaAs InGaP異質結雙旋光性硫化鋅管(HBT) MMIC VCO。 HMC515LP5(E)集就成為了諧振器、負電容組件和變容穩壓管,可轉換半頻,并給予3分頻轉換。 鑒于自激振動器的單基帶芯片的結構,VCO的相位噪音污染能力在室溫、影響和流程水平下均十分出彩。 使用+5V直流電工作電壓直流電工作電壓時,轉換工作工作電壓為+10 dBm(具代表性值)。 若是 不需,可不可以關閉預分頻器功能模塊以減少直流電。 該直流電工作電壓操控自激振動器使用無引腳QFN 5x5 mm表貼封裝形式,不需要 外部匹配好組件。
|
品牌
|
型號
|
貨期
|
|
ADI
|
HMC515LP5E
HMC515LP5ETR
|
1周
|
|
如若您需要購買HMC515LP5E/HMC515LP5ETR,請點擊右側客服聯系我們!!!
|
運用
-
VSAT無線電
-
點對點/多點無線電
-
測試設備和工業控制
優勢和特點
-
雙路輸出: Fo = 11.5 - 12.5 GHz
Fo/2 = 5.75 - 6.25 GHz
-
Pout: +10 dBm
-
相位噪聲: 典型值為-110 dBc/Hz(100 kHz)
-
無需外部諧振器
-
QFN無引腳SMT封裝,25 mm2
節構圖(tu)
