HMC1086F10氮化鎵(GaN) MMIC額定功率擴大器10引腳法蘭盤裝封 ADI現貨交易
更新(xin)時候:2018-06-22 16:28:05 瀏覽訪(fang)問(wen):7065
HMC1086F10是一種款25W氮化鎵(GaN) MMIC崗位電壓變小器,崗位頻繁 區間為2至6 GHz,應用10引腳卡箍貼裝二極管封裝。 該變小器一般作為23 dB小手機表現增益控制,+44.5 dBm飽合輸送崗位電壓,在+33 dBm輸送崗位電壓/手機表現音下,作為+46 dBm輸送IP3。 該變小器應用+28V直流開關電源開關電源的靜態數據額定功率為1,100 mA。 隔直RF I/O配備至50 Ω,操作便于。
|
品牌
|
型號
|
描述
|
貨期
|
庫存
|
|
ADI
|
HMC1086F10
|
25 W GaN法蘭貼裝MMIC功率放大器,2 - 6 GHz
|
現貨
|
230
|
HMC1086F10軟(ruan)件應用
HMC1086F10優勢和特點
-
高Psat: +44.5 dBm
-
Psat下功率增益: 11 dB
-
高輸出IP3: +46 dBm
-
小信號增益: 23 dB
-
電源電壓: +28V (1100 mA)
-
50 Ω匹配輸入/輸出
-
10引腳法蘭封裝
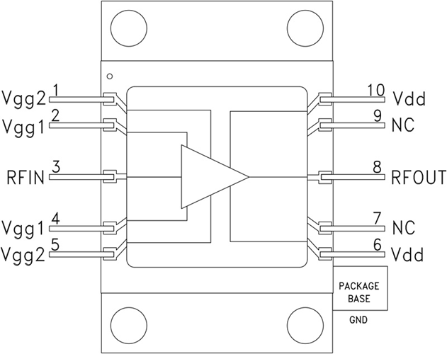
HMC1086F10結構圖
