HMC7357LP5GE/HMC7357LP5GETR中檔輸出功率拖動器頻段5.5至8.5 GHz ADI現貨黃金
頒(ban)布精力(li):2018-06-22 16:06:19 網(wang)頁瀏(liu)覽:2624
HMC7357一款三級考試GaAs pHEMT MMIC中低檔瓦數圖像擴大器電路,事情的頻率條件為5.5至8.5 GHz。 該圖像擴大器電路的增益值為29 dB,過供大于求轉換瓦數為+35 dBm,PAE為34%,電源模塊電壓降為+8V。 HMC7357給出+41.5 dBm的優秀轉換IP3能力,相當比較合適線型廣泛廣泛應運,諸如高電容量一對一和點對找色無線路由電或VSAT/SATCOM廣泛廣泛應運——一類廣泛廣泛應運條件具+35 dBm的便捷過供大于求轉換瓦數。 RF I/O內部的相匹配至50 Ω,便用便利。 HMC7357用于無鉛5x5 mm材料表貼封裝形式,與表貼制造工藝工藝兼容。
|
品牌
|
型號
|
描述
|
貨期
|
庫存
|
|
ADI
|
HMC7357
|
GaAs pHEMT MMIC 2 W功率放大器,5.5 - 8.5 GHz
|
現貨
|
120
|
HMC7357LP5GE技術應用(yong)
-
點對點無線電
-
點對多點無線電
-
VSAT和SATCOM
HMC7357LP5GE優勢和特點
-
Pout:+35 dBm (34% PAE)
-
高P1dB輸出:+34 dBm
-
高輸出IP3: +41.5 dBm
-
高增益: 29 dB
-
50 Ω匹配輸入/輸出
-
電源電壓: Vdd = 8V (1200 mA)
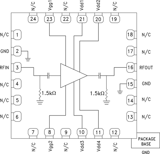
HMC7357LP5GE結構圖
