Ka股票波段驅動包拖動器HMC-AUH256/HMC-AUH256-SX ADI現貨交易一級代理
分享時長(chang):2018-12-03 11:18:50 查看:2134
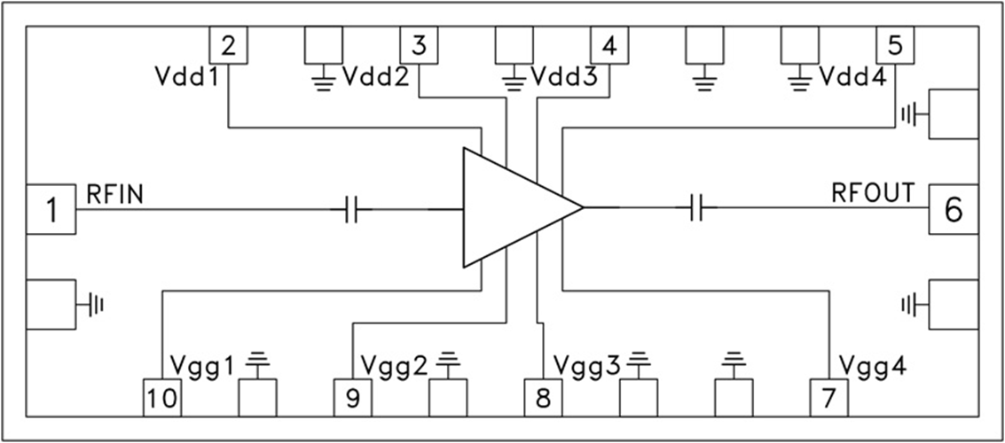
HMC-AUH256是一個款Ka中波段GaAs MMIC HEMT英語四級驅動包圖像放大電路,工作的中頻繁範圍17.5至41 GHz。 仍然尺寸較小(1.93 mm2),該處理集成ic可輕輕松松集成化到多處理集成ic電原模塊(MCM)中。 HMC-AUH256在1 dB縮小點保證21 dB的增加收益和+20 dBm的的輸出公率,使用的+5V的偏置電原(295 mA)。 HMC-AUH256還能作作倍頻器。 保持倍頻器工作的中的詳情偏置前提。
|
品牌
|
型號
|
貨期
|
庫存
|
|
ADI
|
HMC-AUH256
HMC-AUH256-SX
|
1周
|
200
|
|
如若您需要購買HMC-AUH256/HMC-AUH256-SX,請點擊右側客服聯系我們!!!
|
應該用
優勢和特點
-
增益: 21 dB
-
P1dB輸出功率: +20 dBm
-
寬帶性能:
17.5至41 GHz
-
電源電壓:
+5V (295 mA)
-
小尺寸芯片:
2.1 x 0.92 x 0.1 mm
構成圖
