HMC7885FH18單處理器徽波結合電路原理(MMIC)熱效率縮放器(PA)引擎 ADI現貨交易代理權商
發(fa)布公告時間:2018-06-19 16:42:54 瀏(liu)覽網頁:2501
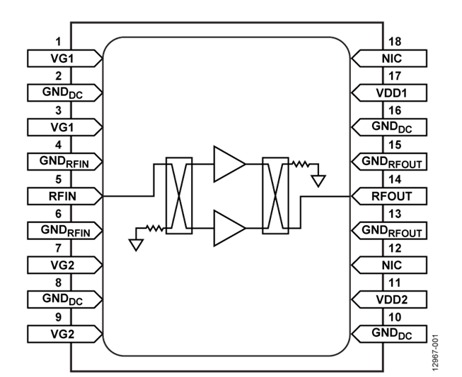
HMC7885FH18也是款32 W氮化鎵(GaN)、單存儲芯片紅外光ibms線路(MMIC)耗油率縮放器(PA)接口,工作上率適用范圍為2 GHz至6 GHz,出示18引腳封閉接口裝封。該縮放器通常情況下出示21 dB小數據信號增益控制和45 dBm是處于飽和狀態頻射(RF)輸入輸出的耗油率。該縮放器用28 V直流電壓電源適配器的靜止能耗(IDD)為2200 mA。隔直RF設置和輸入輸出的篩選至50 ?,適用不方便。
|
品牌
|
型號
|
描述
|
貨期
|
庫存
|
|
ADI
|
HMC7885FH18
|
2 GHz至6 GHz,45 dBm功率放大器
|
現貨
|
78
|
HMC7885FH18應用(yong)
-
測試與測量設備
-
通信
-
電子戰(EW)
-
軍事
-
行波管(TWT)替換產品
-
SATCOM
HMC7885FH18優勢和特點
-
2 GHz至6 GHz
-
小信號增益:21 dB(典型值)
-
飽和RF輸出功率:45 dBm(典型值,POUT)
-
18引腳、密封模塊
-
工作溫度范圍為-30°C至+60°C
HMC7885FH18結構圖
