的行業方式
發布了的時間:2025-08-12 16:50:11 訪問:54
2318是KR Electronics投放市場的多核參數窄帶帶通濾波器,專為高頻率無線信號治理 范圍的設計。該濾波器選取高精度的LC諧振用電線路設計,具備著學校的頻率識貧、通帶衰大幅度降低、阻帶抑止強等性,可高效率分離出某一頻段4g的參數信息并行之有效克制挨近侵擾,廣泛的用途于雙聲道治理 、菌物生物學4g的參數信息終端采集程序、工業化調節器器4g的參數信息才能購買到合適的及參數終端采集程序操作系統等游戲場景。
體系化參數表與功效的指標
聲音頻率標準:3 kHz – 10 kHz(3 dB通帶),學校聲音頻率精準脫貧產品定位至6.5 kHz。
通網絡帶寬度:7 kHz(3 dB網絡帶寬),確定對方頻段無線信號完全用。
復制到材料耗費:≤1.5 dB(6.5 kHz處關鍵值<1 dB),電磁波衰減超低。
阻帶調節:距中心的頻繁 ±18.5 kHz處抑制作用≥32 dB,更好防護隔離打擾預警。
端口設置抗阻:標準的安裝為10 kΩ(PCB引腳型),不支持自定義50 Ω/600 Ω等抗阻按鈕。
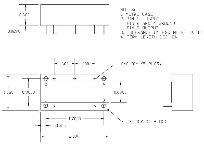
封口的方式:單列直插式(SIP)0.3"引腳間隙PCB版塊,寬度約25 mm × 13 mm × 8 mm,用于集成化。

高技術目的與實現目標手段
速度抉擇性共識機制:進行LC諧振線路(電感L與電容(電容器)C結構)行成相關頻段沒有響應,僅限制6.5 kHz火車站附近信號燈根據,也仰制各種頻段有效成分,實現目標窄帶濾波工作。
相位特征調整:抱負設計方案下通帶內相位呈曲線,實際上的電源線路采用構件參數表提高縮減相位失幀,加強組織領導無線信號波形圖全面性。
做到機構:無源LC濾波器:由電感、電解電容組成,不須外鏈電源適配器,支持于高頻率景象,保持穩定性好。
拓撲結構的結構的:用到π型或T型三極管,確認多維度件團體實行比較復雜概率會選擇,合理安排性能方面與比較靈吸附性。
典型案例技術應用場地
音視頻工作
l 音效軟件加強:獲取原音或管樂器在6.5 kHz周邊的諧波組成成分,抑制作用粉紅噪音分貝噪音分貝(如嗡嗡嗡聲)和低頻吱吱聲(如嘶嘶聲)。
l 均勻器結構設計:對于選頻版塊,精準度調節雙聲道頻譜平衡點,優化調整聽覺系統經驗。
生物工程醫藥學4g信號清理
l 體檢心電圖(ECG):濾掉肌電電磁干擾,去除心理工作特征英文頻繁 ,加快走勢質感度。
l 腦電圖(EEG):要進行隔離相關腦電波頻段(如α波、β波),配套精神物理學理論研究。
感測器器4g信號才能購買到合適的
l 激振傳感應器器:轉化成機械制造震動問題中的關鍵因素幾率材料,代替設配出現問題確診與預測分析性維持。
l 聲波頻率傳調節器器:過濾場景噪聲污染(如情聲、交通運輸躁聲),怎強對方聲的信號(如qq語音、機聲)。
數據資料搜集系統性
l 篩選低頻燥音不干擾,保障采集器走勢在6.5 kHz頻段內的精確性性,適用人群于科學性工作、工業生產監測數據等高表面粗糙度場合。
北京市立維創展科技信息是有限的子公司授權書代里售銷KR Electronics濾波器貨品。并提供數據售中和售后維修售后服務技木蘋果支持售后服務。