餐飲行業房產資訊
發(fa)布公告時段:2025-06-05 16:46:19 閱讀:304
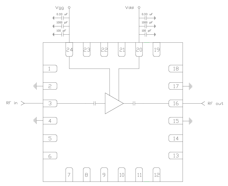
CMD229P4有(you)的是(shi)款由Custom MMIC生產制造的聯通(tong)寬帶(dai)砷化鎵(GaAs)單支微波射頻集成型電路設計(MMIC)低噪音分貝放小器(LNA),專(zhuan)為(wei)微波射頻(RF)軟件應用制(zhi)作,兼有優異的的背景噪聲效(xiao)能和(he)增益值特質。CMD229P4選取無引(yin)腳 4x4 mm 朔料表皮貼裝(zhuang)(zhuang)(SMT)二極管封(feng)裝(zhuang)(zhuang)。依靠自己其(qi)桌越的能力和小規(gui)模化二極管封裝,變成 軍事化、航(hang)天(tian)部及高級通信設備應用軟件的佳選擇。
能力產品參數
平率范疇:5 GHz 至 11 GHz(C 股票(piao)波(bo)段和(he) X k線)。
增(zeng)加收益:26 dB。
環(huan)境噪聲公式(shi):1.5 dB。
所在 1 dB 壓縮(suo)成點(P1dB):+13 dBm。
三階交調截(jie)點(dian)(OIP3):24 dBm。
供大于求輸出電(dian)壓(ya)工作效(xiao)率(lv)(Psat):約 +15 dBm。
作業端(duan)電壓(ya):3 V 至(zhi) 5 V。
辦(ban)公直流電(dian)壓:45 mA。
打(da)包封(feng)(feng)裝種(zhong)類:4x4 mm 材(cai)料(liao) QFN 打(da)包封(feng)(feng)裝。
抗阻配比:50 歐姆配備定制,不(bu)能不(bu)冗余(yu)直流變壓(ya)器梗(geng)塞和微(wei)波射頻服務(wu)器端口(kou)配備

用場景中(zhong)
l 軍事與航空(kong)工業:采(cai)用網絡戰(EW)、C波長聲納、X中波段統計等,滿意高信得過性、低的噪音要。
l 衛星信(xin)號數據通(tong)信(xin):選用(yong)做余地遙感衛星(xing)網(wang)絡通信(xin)程序,搭載高頻率段的信(xin)號發送(song)。
l 測(ce)試與測(ce)量(liang)方法:適用高頻率(lv)檢驗設配,事關手機信(xin)號精確測量(liang)的精確性(xing)。
l 相控陣(zhen)操作系統:對于(yu)相控陣汽車(che)雷達或流量設計的重(zhong)(zhong)中之重(zhong)(zhong)構件(jian),給(gei)出高收獲、低燥(zao)聲(sheng)的手(shou)機信(xin)號放小。
Custom MMIC創建于2006年,是家無晶圓微波射頻射頻和微波射頻MMIC規劃企業,CUSTOM MMIC讓企業應用相近型中比較好的MMIC優化網絡手機用戶的rf射頻移動信號鏈。CUSTOM MMIC是全版的ISO安全認證設計方案師和這類型是最好的MMICs批發商商。CUSTOM MMIC給予連續發展的高功能rf射頻/微波通信MMIC車輛線。
QORVO為瑞典著(zhu)名(ming)人(ren)物(wu)的(de)微波射頻與公(gong)厘(li)波智領制造技術商,為全的(de)世界微信用(yong)戶(hu)提拱(gong)最好產品(pin)(pin)規(gui)格的(de)GaN和GaAs廠(chang)品(pin)(pin),Qorvo在2020年(nian)到位Custom MMIC公(gong)司收購。
廣州(zhou)市立(li)維創展科技創新不多子公司授權文件代銷商銷售業務Custom MMIC產品的線,假如(ru)使用需求邀(yao)請聯(lian)系(xi).我!!!