領域房產資訊
頒布時長:2025-04-21 16:58:16 手機瀏覽:374
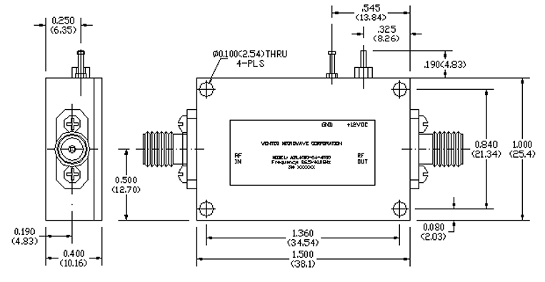
ALN4250-12-3535亳米波低嘈音變小器(LNA)是WENTEQ品牌在分米波流量域的非常重要食品,廣應運于5G/6G網絡通信控制系統、通訊衛星網絡通信控制系統、汽車雷達控制系統等高頻場合。ALN4250-12-3535選擇現進的光電器件技術(如GaAs、GaN)和高效化三極管的設計,的噪音指數公式低至0.5dB,有用調節控制系統噪音污染,提升自己的信號清洗度。WENTEQ Microwave的mm毫米波低的噪音放縮器依靠其技術的優勢、定做化技能和成本費用高效益,在亞洲地區行業占去根本認知度。
特征英文:
從40.0到45.0GHz的低噪音分貝、高增加收益工作
低VSWR,無必備條件穩定可靠
體積大小小,費用低
2.4mm婦女連入器輸人/輸出
要單交流電電源線,內部自帶電流電壓調控器
任務的溫度-40~+75°C,貯存室內溫度-55~+85°C
南京市立維創展科學技術是WENTEQ的代理商商,最主要的供給WENTEQ貨品其中包括橢圓形器、隔開器、環境下華為設備等,貨品原廠進口報關,質能保證,售價特色,歡迎詞了解。

Parameters | Specifications | |||
Minimum | Typical | Maximum | ||
Frequency Range | GHz | 40.0 | 45.0 | |
Nominal Gain @25°C base plate temperature | dB | 31.0 | 35.0 | 38.0 |
Noise Figure | dB | 3.5 | 4.5 | |
P-1dB Compression Point | dBm | 15.0 | 16.0 | |
Output IP3 | dBm | 23.0 | 25.0 | |
Gain flatness | dB | +/-1.0 | +/-1.5 | |
Gain Variation over Temperature Range | dB | +/-1.5 | ||
Reverse Isolation | dB | 45.0 | ||
Input VSWR | - | 2.0:1 | 3.0:1 | |
Output VSWR | - | 2.0:1 | 3.0:1 | |
Spurious | dBc | 60.0 | ||
Operating Temperature | °C | -40.0 | +75.0 | |
Survival Temperature | °C | -45.0 | +85.0 | |
DC Power Supply Voltage | V | +12.0 | ||
DC Power Supply Current | mA | 250.0 | 300.0 | |
RF In/Out connectors | 2.4mm-Female | |||
DC Input Connector | Feedthru Pin | |||
Size | inches | |||