制造行業訊息
上架事件:2025-04-08 17:07:34 搜素:383
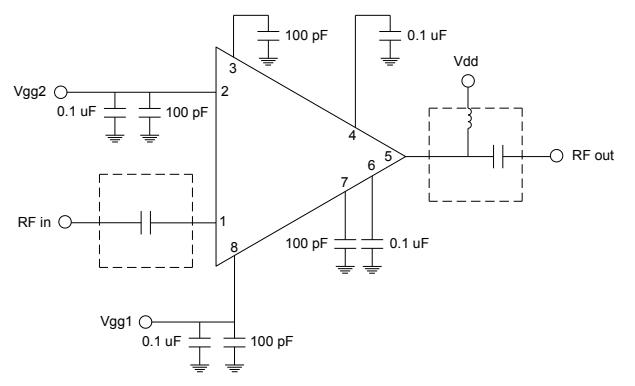
CMD201/CMD201P5網絡帶寬地理分布式應用熱效率變大器區分
CMD201和CMD201P5就是Qorvo新公司發布的網絡帶寬分布不均式電率放縮器,有著一樣的電器設備質量指標和操作鄰域,但同旁內角在封裝主要形式和局部安全性能質量指標上普遍存在一部分差別:
CMD201與CMD201P5的區別
特質 | CMD201 | CMD201P5 |
增益控制 | 12 dB(類型值) | 11 dB |
P1dB(10 GHz) | 29 dBm | 27 dBm |
輸出精度IP3(10 GHz) | 38 dBm | 37 dBm |
芯片封裝 | 裸處理器 | 5.0 x 5.0 mm塑膠QFN打包封裝 |
的性 | 全鈍化來設計,加快牢靠性和防滲安全性能 | 暫時無法微波射頻服務器端口匹配好,50 歐姆配備設計的概念 |
操作的領域 | 微波通信手機無線電、VSAT光纖通信等 | 電子廠對峙、定位流量等 |

強勢
寬度帶安全性能:合并DC至20 GHz的規律區域,要求多種類應用實際需求。
高平滑度:輸入IP3可高達38 dBm(CMD201)和37 dBm(CMD201P5),可以補救高工作電壓訊號。
高輸入工率:P1dB和Psat均可達到較高層次,提高認識信息的固定文件傳輸。
低燥音常數:3.4 dB的噪音常數,加強衛星信號效率。
方便結合:50歐姆自動匹配設置,不用辦理表面RF端口號一致,簡易設備制作。
高是真的嗎性:運用全鈍化設汁,完全符合RoHS控制臺命令,適合于情節嚴重生態。
Custom?MMIC創建于2006年,是家無晶圓頻射和微波射頻MMIC制定工司,CUSTOM MMIC促進中小企業的使用類似型中最容易的MMICseo業主的微波射頻4g信號鏈。CUSTOM MMIC是齊全的ISO認證服務設定師和差不多型合適MMICs供給商。CUSTOM MMIC供應延續提高的高功效rf射頻/微波射頻MMIC物料線。
QORVO有所作為俄羅斯有名氣的微波加熱與直徑波頂尖開發商,為全世上我們提拱高達技術參數的GaN和GaAs產品的,Qorvo在2020年達成Custom MMIC公司收購。
北京市立維創展科技發展有效工廠認證進口代理銷售員Custom MMIC好產品種類,告之的需求青睞質詢讓我們!!!