企業資迅
上傳時長:2025-03-13 16:00:54 閱覽:452
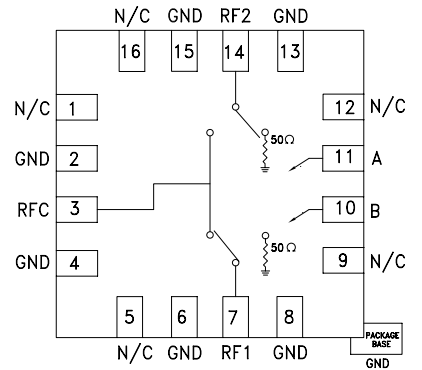
HMC347ALP3E是Analog Devices(ADI)集團精心策劃定制的十款聯通寬帶、高屏蔽度的非反射性型GaAs pHEMT SPDT(單刀雙擲)旋鈕。HMC347ALP3E其所優秀的電子商務機械的性能、行為出色的屏幕能效、較高的牢靠性、經用性并且高機械的性能行為,在眾所高頻利用場景設計中取勝。其寬帶網絡的特點、高隔離防曬度和較低的加上衰減,導致HMC347ALP3E已成為頻射和紅外光裝置中必須或缺的首選插件。
最主要的特殊性
幀率范圍內:DC 至 14 GHz,選主要用于光纖寬帶應用領域。
高要進行隔離度:>54 dB @ 3 GHz;>44 dB @ 10 GHz。
低復制到損失:1.8 dB @ 10 GHz,保證 衛星信號傳送數據的效率高性。
非條件反射層設計構思:抑制表現條件反射層,增強系統化的性能。
封裝形式:用到 3x3 mm QFN 表貼封裝形式,適宜高密集度計算公式 PCB 的設計。

電氣開關性能
設定電壓值:選取 -5/0V 的專一性負管理電流值道理,無須另外偏置電源開關。
上班感應電流:低至 DC,功能消耗很低。
用途域
通信基站基礎框架的設施:代替走勢更改和路由。
金屬和網絡帶寬中國電信:可以支持低頻數據信息凈化處理。
紅外光移動電和 VSAT:適于于遙感衛星通訊和微波射頻文件傳輸。
警用wifi手機電、汽車雷達和ECM:滿足需要高靠譜性和高效果所需。
測試測試方法實驗儀器自動化儀表:在高頻率測試測試方法和衡量。
東莞 市立維創展科枝是ADI的代銷商,主耍帶來變大器、平滑護膚品、信息準換器、音頻播放護膚品、光纖寬帶護膚品、秒表和定期IC、網絡光纖電力食品、數據接口和區間、MEMS和感應器器、供電和熱經管、整理器和DSP、rf射頻和圖形圖片治理 器、啟閉和配置器等,企業產品正品現貨黃金,房價資源優勢,熱烈歡迎咨詢了解。。