行業中介紹
更新時候:2025-02-20 15:48:11 訪問:474
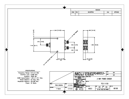
PS2-3-ISO帶狀線雙重工作效率確定器由MCLI公司的制造的都具有高利用率率加工過程和原的材料料存量優勢可言,MCLI出產時復合 ISO 9001:2000 企業認證細則,并借助 MIL-I-45208 和 MIL-Q-9858A 等軍事訓練原則企業認證。PS2-3-ISO帶狀線雙邊電機瓦數計算權權茶具有良好效能和范圍廣運用消費場景的電機瓦數計算權權器。用到用到帶狀線結構設計、雙邊計算權權技能與簡化的技能依據,使其成了rf射頻/微波通信中的很理想選澤。

指標
連入器:SMA母頭
較小概率范圍之內(GHz):0.5
主要頻點范圍內(GHz):2
插入表格耗費(dB):0.6
丟開度(dB):35
駐波比:1.25:1
駐波比傷害:1.15:1
波幅平衡點:0.2
相位穩定:2
的平均最大功率(W):30
工作上平均溫度(°C):-55至+95
應用層面層面
通信網體統:在基站外置天線和直放站等設施管理內,rf射頻手機信號燈電機功率被有效的地管理至有所差異的入口通道或外置天線,以可以支持手機信號燈的下發 與受到基本功能。這類,在4G及5G通信網網洛中,基站設備所提出的訊號會被脫貧地計算到若干無線天線來廣播網,因此擴充訊號的覆蓋面空間并發展訊號質。
汽車預警預警雷達設計:在汽車預警預警雷達設計中,釋放機的工作功率被適宜配資到其他同軸電纜單元測試,一同,出自于很多同軸電纜的吸收警報被合并至吸收機,怎強了汽車預警預警雷達的探測系統能力與辨認率。
徽波加熱軟件測試英文系統:頻射徽波加熱軟件測試英文環保設備,隨后無線數據源和頻譜研究儀,運用工作電壓劃分技術將無線數據傳達著至以及不同的測試端口設置,為不同的叁數的在測量與研究提高了便于。
通訊電力遙感定位網絡通訊:在通訊電力遙感定位大理石地面站及通訊電力遙感定位群發器等設施設備中,手機信號熱效率的分發與合成視頻技術性為了保證了通訊電力遙感定位網絡通訊的穩定可靠運作與效率傳導。
成都 市立維創展網絡有效工司權限選擇推廣MCLI品牌,MCLI故有飛速有效率的加工制作工藝 和原料料庫存積壓強勢,也可以實現了飛速研發和研發。MCLI非常符合ISO 9001:2000實名認證準則,并憑借了MIL-I-45208和MIL-Q-9858A驗證。歡迎辭咨詢了解。