職業信息資訊
發布了時候:2025-02-12 15:52:44 看:530
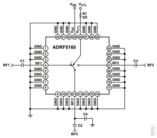
ADRF5160是Analog Devices Inc.(ADI)退出的一種高能力硅基0.7 GHz至4.0 GHz單刀雙擲(SPDT)反射層電開關,主要包括無引腳、外層貼裝的封口形態。ADRF5160專為高額定功率用和蜂窩知識基礎基礎建設,如暫時演變(LTE)基站天線等設計方案。ADRF5160具備優異的高公率整理技能,其長遠(>10年)人均主要表現值在8 dB峰均比LTE因素下多達41 dBm,一并在2.0 GHz下面的關鍵添加不足僅為0.7 dB。前者,ADRF5160的錄入三階截點(IP3)典型性參考值70 dBm,0.1 dB進行壓縮點(P0.1dB)先進典型值一般選擇47 dBm。
ADRF5160的片上電線在5 V單正電源開關模塊電阻下進行,關鍵電源開關模塊電壓僅為1.1 mA,是PIN二級管面板開關的不錯混用設計方案。ADRF5160的打包封裝契合RoHS規定,適用緊密的32引腳、5 mm × 5 mm LFCSP裝修設計。

因素概況:
反射面式設計方案,50 Ω電位差配對
低導入損失:在2.0 GHz下述,關鍵參考值0.7 dB
高馬力除理效果,在TCASE = 105°C先決條件下表演優良
常年(>10年)最低值工作電壓成績:
累計波瓦數:43 dBm
最高值瓦數:49 dBm
LTE評均馬力(8 dB峰均比):41 dBm
日均故事(<10秒)人均LTE電機功率(8 dB峰均比):44 dBm
高線性網絡度展示:
P0.1dB其最典型的值:47 dBm
IP3典型案例值:70 dBm
人體靜電擊穿(ESD)保障游戲等級高:
機體沙盤模型(HBM):4 kV,3A級
通電專用設備型號(CDM):1.25 kV
單正電源線直流電壓:5 V
正把握電磁波,兼容CMOS/TTL電平
緊奏型的32引腳、5 mm × 5 mm LFCSP芯片封裝
應該用鄰域:
無線路由根本配制系統
國防及高穩定可靠性以及安全性用畫面
測驗量測機
看做PIN場效應管打開的取代情況報告
上海市立維創展科技公司是ADI的分銷系統商,基本能提供放小器、線形物料、資料換為器、音短視頻物料、聯通寬帶物料、數字時鐘和隨機IC、光仟數據通信車輛、界面和間格、MEMS和感測器器、電源模塊和熱經管、凈化cpu型號和DSP、rf射頻和設計解決器、按鈕和分銷器等,軟件正品外盤,價錢優勢與劣勢,歡迎會咨詢服務。