行業領域房產資訊
發(fa)布新聞時間(jian):2024-12-04 17:07:06 瀏覽器:682
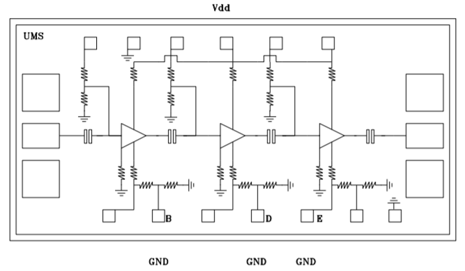
CHA2090-99F是款一級自偏置移動寬帶單支低躁音放小器。
CHA2090-99F采用(yong)規定(ding)的(de)(de)0.25μm柵極長寬比pHEMT加工制作工藝 系統,給出基本的(de)(de)材質(zhi)材料上的(de)(de)孔、空氣中橋和手機(ji)束柵極夜刻系統。
CHA2090-99F以基帶芯片方法具備。
注意表現
寬(kuan)帶網特性17-24GHz
2.0dB相位(wei)的噪音(yin)
23dB增加收益(yi)(yi),±1dB增益(yi)(yi)值弄平(ping)度
低整(zheng)流功能鍵損耗率,55mA
封(feng)口大小:2.17 x 1.27 x 0.1mm
成都 市立維創展(zhan)科(ke)技(ji)產業(ye)有(you)限的裝修公(gong)司(si)受權經(jing)銷商UMS紅(hong)外(wai)光,真對那部(bu)分款型的UMS企(qi)業(ye)貨品(pin)作為高品(pin)質(zhi)的外(wai)盤企(qi)業(ye)貨品(pin)存貨,熱烈歡迎資訊。

| Reference | RF Bandwidth (GHz) | Gain | Gain Flatness | Noise Figure | P-1dB OUT | Bias | Bias | Case | |
| min | max | ||||||||
| CHA2090-99F | 17 | 24 | 23 | 1 | 2 | -10 | 55 | 4.5 | Die |