的行業快訊
發布公告(gao)期限:2024-12-03 17:15:10 瀏覽器:692
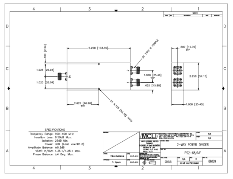
PS2-68/NF帶狀線2路電源模塊重新分配設施備良好的型號指標,提高電腦網絡金屬速度比率、高要進行隔離、低嵌入損耗量、低VSWR、底頻率和高電機功率解決方法實施方案。PS2-68/NF帶狀線2路電源線分派器會經由各個型號的結構的,如帶狀線、微帶和集總輔件結構類型來大范圍選在供需和APP。

有特點
分體式式:交叉
對接器:N母頭
最低標準頻次的范圍(GHz):0.1
極(ji)高(gao)速率條件(GHz):0.4
復制(zhi)到耗(hao)損(sun)(dB):0.5
屏蔽度(dB):25
駐波比:1.35:1
駐波比輸(shu)出:1.25:1
震幅穩定性:0.3
相位平穩:4
頂值熱效率(lv)(W):30
南京市立維創展科枝有(you)限裝(zhuang)修(xiu)公(gong)司裝(zhuang)修(xiu)公(gong)司授權證書選擇銷售MCLI的產(chan)品,MCLI因(yin)其迅速高質量的工藝設計和原(yuan)料(liao)(liao)料(liao)(liao)存貨的優勢,要能保持迅速生(sheng)產(chan)方式和生(sheng)產(chan)制造。MCLI不符合ISO 9001:2000資格認證標(biao)準(zhun)規(gui)范,并(bing)能夠 了MIL-I-45208和MIL-Q-9858A認證服務。喜歡資訊。