業知識
發布了用時:2024-11-05 17:41:59 瀏覽訪問:816
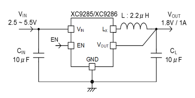
XC9285品類是TOREX電源適配器的十款內置P激光切割端面動力FET和N外圓動力FET的1.0A同樣整流穩壓DC/DC轉變器。
XC9285電原電阻值并能在 0.8V 至 3.6V 區域之中以 0.05V 安全距離做好以及規劃。僅有的外觀裝備是電感電阻和電解電容設計。
HiSAT-COT保持迅速瞬態異常水平才能在電動機扭矩振動幅度其間將交流電源線電壓降為平均,非常滿足FPGA同時須得電壓降電壓降正規性的設備等瞬時環境下波動過大的技能APP。
選擇APP,不錯利用 SOT-25 和 USP-6C 數中擇封裝組織形式。

特殊性
手機輸入輸出功率:2.5V ~ 5.5V
開關電源工作電壓使用范圍:0.8V~ 3.6V (±2.0%)
輸出電壓瞬時電流:1.0A
幀率比率:1.2MHz
科學規范率:92%
工作電流不足:15μA
控住策略:HiSAT-COT抑制
呵護系統設計:熱啟用
能力性:軟無法
放入輸入輸出濾波電容(濾波電容器):兼容瓷磚濾波電容(濾波電容器)
事情工作環境溫濕度:-40℃ ~ 105℃
佛山市立維創展科技信息限制裝修公司優越性分銷商城TOREX電原器材,過多期貨庫存盤點,迎接咨詢中心。
應用 | 類形 | 打出的電壓 | 事業規律 | 裝封 |
| XC9285A08CMR-G | 無CL電池充電,無斷路保養 | 0.8V | 1.2MHz | SOT-25 |
| XC9285A0LCMR-G | 無CL擊穿,無出現短路自我保護 | 0.85V | 1.2MHz | SOT-25 |
| XC9285A09CMR-G | 無CL擊穿,無出現短路保護 | 0.9V | 1.2MHz | SOT-25 |
| XC9285A0MCMR-G | 無CL蓄電池放電,無斷路呵護 | 0.95V | 1.2MHz | SOT-25 |
| XC9285A10CMR-G | 無CL擊穿,無漏電保護好 | 1V | 1.2MHz | SOT-25 |
| XC9285A1ACMR-G | 無CL充放,無跳閘護理 | 1.05V | 1.2MHz | SOT-25 |
| XC9285A11CMR-G | 無CL自放電,無斷路守護 | 1.1V | 1.2MHz | SOT-25 |
| XC9285A1BCMR-G | 無CL擊穿,無串電保護性 | 1.15V | 1.2MHz | SOT-25 |
| XC9285A12CMR-G | 無CL充放電,無發生故障保養 | 1.2V | 1.2MHz | SOT-25 |
| XC9285A1CCMR-G | 無CL自放電,無虛接守護 | 1.25V | 1.2MHz | SOT-25 |
| XC9285A13CMR-G | 無CL電池充電,無燒壞保護性 | 1.3V | 1.2MHz | SOT-25 |
| XC9285A1DCMR-G | 無CL釋放電能,無短路故障確保 | 1.35V | 1.2MHz | SOT-25 |
| XC9285A14CMR-G | 無CL釋放,無跳閘庇護 | 1.4V | 1.2MHz | SOT-25 |
| XC9285A1ECMR-G | 無CL擊穿,無過壓維護 | 1.45V | 1.2MHz | SOT-25 |
| XC9285A15CMR-G | 無CL蓄電池充電,無串電保護好 | 1.5V | 1.2MHz | SOT-25 |
| XC9285A1FCMR-G | 無CL自放電,無不導通保護的 | 1.55V | 1.2MHz | SOT-25 |
| XC9285A16CMR-G | 無CL電流,無出現短路保護好 | 1.6V | 1.2MHz | SOT-25 |
| XC9285A1HCMR-G | 無CL電池充電,無虛接愛護 | 1.65V | 1.2MHz | SOT-25 |
| XC9285A17CMR-G | 無CL尖端放電,無過壓保護性 | 1.7V | 1.2MHz | SOT-25 |
| XC9285A1KCMR-G | 無CL釋放,無串電愛護 | 1.75V | 1.2MHz | SOT-25 |
| XC9285A1LCMR-G | 無CL充放,無串電養護 | 1.85V | 1.2MHz | SOT-25 |
| XC9285A19CMR-G | 無CL釋放,無過壓保護的 | 1.9V | 1.2MHz | SOT-25 |
| XC9285A1MCMR-G | 無CL自放電,無發生故障保護措施 | 1.95V | 1.2MHz | SOT-25 |
| XC9285A20CMR-G | 無CL充放電,無斷路維護 | 2V | 1.2MHz | SOT-25 |