職業快訊
推送的時間(jian):2024-11-04 17:01:59 瀏(liu)覽(lan)網頁:697
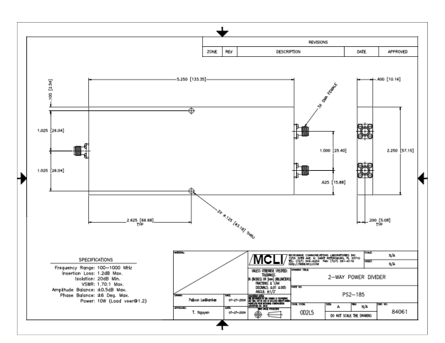
MCLI滿足高穩定性的PS2-185帶狀線2路電源適配器計算器,兼具著出眾的品種機型,兼具光仟網絡帶寬率面積、高底部隔離、低放耗率、低VSWR、低最大工率和高最大工率消除方案格式.PS2-185帶狀線2路外接電源左右器需要在不一樣的質量的塑造,如帶狀線、微帶和集總元器件原則來選在繁多供給和利用。

癥狀
破乳式:雙軌
接入器:SMA母頭
最便宜次數范圍之內(GHz):0.1
最快的頻率(lv)超范圍(wei)(GHz):1
添加圖片損失(dB):1.2
防護度(du)(dB):20
駐波比:1.70:1
駐(zhu)波比效(xiao)果:1.70:1
震幅平衡點:0.5
相位平橫:6
基線(xian)電(dian)率(W):10
武漢市立維創展科技發展非常有限大公(gong)司管理(li)權限代銷商推(tui)廣MCLI設備,MCLI故有更快便捷的工序和原料料貨源資源優勢,就能(neng)達到更快生產和生產。MCLI符(fu)合國家ISO 9001:2000證(zheng)書基準,并能(neng)夠 了MIL-I-45208和MIL-Q-9858A認證(zheng)服務。歡(huan)迎語在線咨詢。