業內新聞
發布新聞(wen)時(shi)間段:2024-10-23 16:59:39 預覽(lan):589
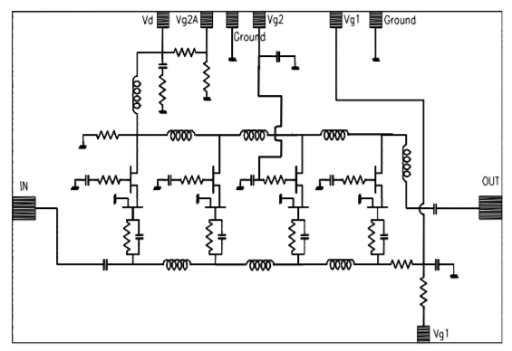
UMS的CHA3023-99F是款技(ji)術(shu)應(ying)用共源共柵FET的導波縮放(fang)器。為(wei)廣(guang)泛應(ying)用應(ying)用的需求(qiu)設計(ji)。
CHA3023-99F選取(qu)0.25μm柵(zha)極長(chang)寬的pHEMT工藝設備系統,依照橫穿基(ji)鋼板的孔主氣橋(qiao),然后以裸(luo)片(pian)手段具備。

常見基本特征
網(wang)絡帶寬性(xing):1-18GHz
14dB增益控制值
3dB一(yi)般低相位躁音
0.7dB增益值值整(zheng)潔度
打包封裝圖(tu)片尺(chi)寸(cun):2.15 X 1.42 X 0.10mm
東莞 市立維(wei)創(chuang)展(zhan)高新(xin)科技十分有限工廠(chang)授權使用經售UMS微波射頻,根(gen)據那部(bu)分類型的(de)UMS品牌(pai)展(zhan)示 優秀的(de)現(xian)貨(huo)黃(huang)金品牌(pai)庫存(cun)量(liang),歡迎(ying)辭咨詢中心。
AMPLIFIER – MPA| Reference | RF Bandwidth (GHz) | Gain | IP3 | P-1dB OUT | Sat. Output Power | Bias | Bias | Case | |||||||||||
| min | max | ||||||||||||||||||
| CHA3023-99F | 1 | 18 | 14 | - | 17 | - | 95 | 5 | Die | ||||||||||