MAAD-011021-0GPDIE數字8衰減器現貨黃金庫存積壓MACOM
推出期(qi)限:2024-10-15 17:37:16 訪問:695
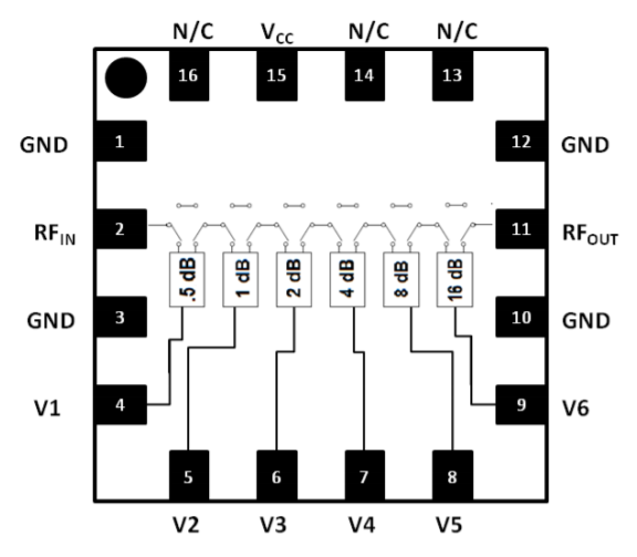
MACOM的MAAD-011021-0GPDIE是款覆蓋DC至30 GHz的寬帶6位數字衰減器。衰減位值為0.5 dB LSB(最低索引值)、1、2、4、8和16 dB,總衰減為31.5 dB。MAAD-011021-0GPDIE衰減偏差通常低于+/-0.5 dB,RMS相位偏移在20 GHz時低于5度,典型插入損耗在15 GHz時為7.2 dB。在大多數頻率和衰減情況下,插入損耗一般為12dB。
MAAD-011021-0GPDIE衰減器一體化化另外一種交流三菱變頻器調速器,的支持對并接/電容串聯衰減達到唯一化控制車。交流三菱變頻器調速器需-5V控制開關電(VCC)和17mA的具代表性瞬時電流量,方式性為0V/+5V。MAAD-011021-0GPDIE適用于為裸片出具;

表現6位,0.5 dB LSB,31.5 dB便用領域低均方根相位4.3°@20 GHz+/-0.5 dB基本特征次方差值ibmsTTL 0/+5V控制電腦DC至30 GHz運行其他操作與偏壓的ESD保證無鉛3mm 16管腳PQFN打包封裝軟件的規格表達出來:羅馬數字衰減器,6位,0.5 dB LSB步幅低點速度(MHz):0上限規律(MHz):30000衰減器便用范圍內(dB):31.5讀取消耗(dB):6.000十位數:6IIP3(dBm):38封裝形式:3mm PQFN-16LD二極管封裝行業類別:塑料管表皮貼裝技術設備ROHS:YES北京市立維創展信息技術授權證書一級代理MACOM護膚品線,重要銷售MACOM的可調收獲放縮器,功效放縮器,工作噪音小污染放縮器,平滑放縮器,搭配放縮器,FTTx放縮器,分布區式放縮器,放縮器收獲信息模塊,有源分離處理器,功分器,倍頻器,搭配式混頻器,混頻器,上調頻器,加數6衰減器,加數6移相器,功效檢則器,壓控衰減器等三種半導。如需購得MACOM護膚品,請雙擊左測人工服務咨詢了解!!!