業房產資訊
發(fa)布(bu)消息日子:2024-10-09 09:08:34 打開網頁(ye):5522

Electro-Photonics的EPD-2A1-SF是一款(kuan)高性能的2路(lu)0°功率分配器(qi),具有以(yi)下特(te)點:
1. 緊湊型suv方案:小形二極管封裝,適用空間受阻的應用軟件。 2. 工作頻率區域:包含100至500MHz,符合寬帶網廣泛應用。 3. 安全最經用的: 同相公率分化,事關數字信號一樣性。 低進到這一領域消耗的資金(明顯0.6 dB),保證產品品質警報產品品質。 高底部隔離度(少于20 dB),可以減少渠道間要素。 順暢的振動幅度不動平衡機量(±0.2 dB)和相位不動平衡機量(±3°)。 4. 高電功率治理學習能力: 正在向熱效率:50W。 單向工率:10W。 5. 標準接口款式:SMA(F),通用型且穩定的。 6. 工作溫度范圍內: 工作的高溫:-35°C至+75°C。 非工做熱度:-55°C至+100°C。 7. 外形:一樣車漆,兼備正規外形。應用領域:
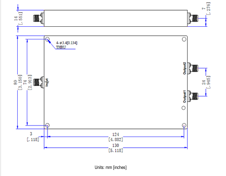
電商戰 聲納系統 測驗和校正機 EPD-2A1-SF以非凡的性和緊湊型轎車的長度,是非常時候需用高性無線信號分攤的聯通寬帶應用軟件。尺寸:

ELECTRO-PHOTONICS得(de)到25年的(de)真實(shi)傷害rf射頻元器(qi)件設計與(yu)制造技術生產(chan)經驗,貨品(pin)包函(han)相溶和定(ding)向(xiang)生交叉(cha)耦合(he)器(qi)、功分器(qi)、濾(lv)波(bo)器(qi)、測(ce)試測(ce)試板(ban)、隔離(li)防曬器(qi)、馬蹄形(xing)器(qi)等貨品(pin)。
廣州市(shi)立維(wei)創展(zhan)技術比較有限司批發商分銷模式(shi)Electro-Photonics軟件。如果(guo)都要(yao)Electro-Photonics徽波,受歡(huan)迎鼠標(biao)單擊右(you)面客戶服務(wu)熱線連接(jie)他們(men)!!!