服務行業介紹
正式(shi)發布準確時間(jian):2024-09-27 08:42:11 訪問:5398

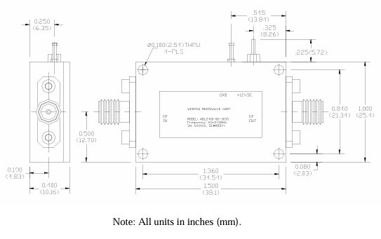
ABL2400-01-3025是由溫特(WENTEQ)公司生產的寬帶低噪聲放大(da)器,具有(you)以(yi)下特點和(he)電氣(qi)規格:
特點
聯通寬帶、低躁音:適合于從0.1 GHz到24.0 GHz的寬頻次的范圍,可以提供低躁音性能方面。 低VSWR,無必要能力動態平衡:在各式過載必要能力下保持著動態平衡。 小長寬、低直接費用:設計的寬敞,經濟性又實惠。 K型銜接器RF I/O:插入讀取用到K型微波射頻銜接器。 單交流電源開關供氣:采用另一個電流交流電源開關可以了業務。 工作上攝氏度規模:-40至+85°C,存儲器攝氏度規模:-55至+125°C。電氣規格
頻率范圍圖:0.1 GHz至24.0 GHz 標稱增加收益:25.0 dB至34.0 dB(類型值30.0 dB)噪聲系數:
- 0.1-4.0 GHz:3.5 dB至5.5 dB - 4.0-20.0 GHz:2.5 dB至4.0 dB - 20.0-24.0 GHz:3.0 dB至4.5 dBP-1dB壓縮點:
- 0.1-19.0 GHz:20.0 dBm至23.0 dBm - 19.0-24.0 GHz:18.0 dBm至21.0 dBm 飽合輸出工作電壓 Psat:20.0 dBm至24.0 dBm 模擬輸出IP3:23.0 dBm至30.0 dBm 增加收益寬闊度:±1.5 dB至±2.0 dB 濕度超范圍內增加收益變動:±2.0 dB 選擇性要進行隔離度:50.0 dB 輸進VSWR:1.7:1至2.5:1 內容輸出VSWR:1.7:1至2.5:1 鄰道液化氣泄漏比:-60.0 dBc 操作氣溫:-40.0 ℃至+85.0 ℃ 生存水溫:-45.0 ℃至+125.0 ℃ 直流端電壓電源開關供水端電壓:+12.0 V至+15.0 V 交流電電源適配器需要量直流電:300.0 mA至350.0 mA(主要值250.0 mA) 圖片尺寸:1.50x1.0x0.409英寸 ABL2400-01-3025圖像放大器電路因而寬聲音頻率超范圍、低背景噪聲機械性能及好的的安全性,可用來多個微波溝通射頻與微波溝通整體中的選用,如溝通、預警雷達和光學對敵等領域。蘇州市立維創展技術是WENTEQ的(de)代理商(shang)商(shang),注意(yi)供應WENTEQ的(de)品牌收錄環行器、隔離器、電流電子設備(bei)等,的(de)品牌原裝到口(kou)進口(kou)的(de),產品品質提(ti)高,產品報價強(qiang)勢,青睞(lai)咨詢公司。