領域新聞
發布了(le)時長:2024-08-15 09:14:48 預覽:6079

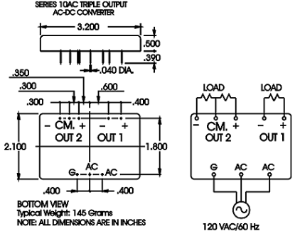
10AC12T5是一款三路輸出的AC-DC電源模塊,由PICO公司生產。這款電源(yuan)模(mo)塊具有以下特點和(he)技術參數:
1. 輸入電壓范圍:
90-130VAC (47-440Hz) 供選擇:170-240VAC (47-440Hz)2. 環境條件:
寬運轉溫暖超范圍:-55°C至+85°C 進行高溫度過低及受損測評:-55°C至+125°C3. 型號與規格:
型號:10AC12T5 主的輸出線電壓:5 VDC 明顯電動機扭矩瞬時電流:1400 mA 很大導出公率:7 W 電壓電流電流可以調節空間:25%-100%電流,±0.5% 輸出的電阻紋波(1.1 MHz網絡帶寬下):50 mV峰閥值4. 輔助輸出電壓和電流:
輔助器輸出電阻1:±12 VDC 最大的短路電流大小電流大小1:125 mA 比較大打印輸出熱效率1:1.5W 打印輸出工作電壓紋波1(1.1 MHz上行帶寬下):50 mV峰谷值 外掛內容輸出交流電壓2:±12 VDC 非常大根據直流電2:50 mA 最好輸入馬力2:1.2W 的輸出電阻紋波2(1.1 MHz上行帶寬下):50 mV峰峰峰值5. 效率:
在滿負荷原因下,利用率為77% 此交流電源功能不適使用在嚴格的軍用規范標準及航天部app,可在嚴峻區域環境下可靠性開機運行。產品設備性能指標分為寬復制粘貼額定電壓值條件、安全的模擬輸出額定電壓值、低紋波嗓聲及工作效率高率。深圳市立維創展科技是PICO司的代銷商。出示(shi)進(jin)品PICO24v電(dian)(dian)(dian)(dian)組(zu)件(jian)(jian)、警用24v電(dian)(dian)(dian)(dian)組(zu)件(jian)(jian)、超(chao)高壓(ya)(ya)24v電(dian)(dian)(dian)(dian)組(zu)件(jian)(jian)、長安小型(xing)電(dian)(dian)(dian)(dian)力變壓(ya)(ya)器(qi)(qi)、MIL-PRF-21038/27規(gui)模(mo)變電(dian)(dian)(dian)(dian)器(qi)(qi)、脈沖激(ji)光變電(dian)(dian)(dian)(dian)器(qi)(qi)、400 MHz供(gong)用電(dian)(dian)(dian)(dian)電(dian)(dian)(dian)(dian)抗器(qi)(qi)、MIL-STD-1553雙聲道(dao)接口低壓(ya)(ya)干(gan)式變壓(ya)(ya)器(qi)(qi)、雙聲道(dao)低壓(ya)(ya)干(gan)式變壓(ya)(ya)器(qi)(qi)、公率(lv)(lv)電(dian)(dian)(dian)(dian)感(gan)、徵型(xing)公率(lv)(lv)電(dian)(dian)(dian)(dian)感(gan)、EMI電(dian)(dian)(dian)(dian)感(gan)、薄DC-整(zheng)流(liu)(liu)(liu)電(dian)(dian)(dian)(dian)壓(ya)(ya)電(dian)(dian)(dian)(dian)源(yuan)(yuan)模(mo)塊(kuai)(kuai)、軍(jun)工(gong)用DC-DC電(dian)(dian)(dian)(dian)源(yuan)(yuan)適配器(qi)(qi)信息(xi)模(mo)塊(kuai)(kuai)、磚塊(kuai)(kuai)DC-DC電(dian)(dian)(dian)(dian)源(yuan)(yuan)模(mo)組(zu)模(mo)組(zu)、高電(dian)(dian)(dian)(dian)壓(ya)(ya)DC-DC、AC-DC按(an)鈕(niu)交(jiao)流(liu)(liu)(liu)交(jiao)流(liu)(liu)(liu)供(gong)電(dian)(dian)(dian)(dian)版(ban)塊(kuai)(kuai)、按(an)鈕(niu)直流(liu)(liu)(liu)變壓(ya)(ya)器(qi)(qi)按(an)鈕(niu)交(jiao)流(liu)(liu)(liu)交(jiao)流(liu)(liu)(liu)供(gong)電(dian)(dian)(dian)(dian)版(ban)塊(kuai)(kuai)、隔絕按(an)鈕(niu)交(jiao)流(liu)(liu)(liu)交(jiao)流(liu)(liu)(liu)供(gong)電(dian)(dian)(dian)(dian)版(ban)塊(kuai)(kuai)、航天(tian)按(an)鈕(niu)交(jiao)流(liu)(liu)(liu)交(jiao)流(liu)(liu)(liu)供(gong)電(dian)(dian)(dian)(dian)版(ban)塊(kuai)(kuai)等(deng)特(te)點按(an)鈕(niu)交(jiao)流(liu)(liu)(liu)交(jiao)流(liu)(liu)(liu)供(gong)電(dian)(dian)(dian)(dian)版(ban)塊(kuai)(kuai)和工(gong)作(zuo)效率(lv)(lv)改變器(qi)(qi)。原廠設備進(jin)囗的,質量能(neng)保(bao)證,喜歡咨詢了解(jie)。。