服務行業分析新聞
分享時間(jian)間(jian)隔:2024-08-07 08:58:58 訪問(wen):780

EPD-4L-SF功分器是由ELECTRO-PHOTONICS公司生產的一款高性能、寬(kuan)頻(pin)帶的4路功率分(fen)配(pei)器(qi)/組合器(qi)。該(gai)產品(pin)的主要特點和規格如下:
主要特點
走向性: 0° 工作頻率空間: 4.0 GHz到8 GHz 最好打出額定功率: 30W 高機械性能: 提高低讀取損耗量、高分隔度、低駐波比(VSWR)和憂秀的藝術及相位均衡。 主體工程寸尺: 設計構思主體工程,易于在有效的三維空間內重新安裝和用。性能規格
| PARAMETER | SPECIFICATION |
| FREQUENCY RANGE | 4.0-8 GHz |
| EXCESS INSERTIONLOSS* | 0.8dB |
| ISOLATION | 18 dB |
| VSWR | 1.3 |
| AMPLITUDE BALANCE | ±0.3 dB |
| PHASE BALANCE | ±3° |
| POWER HANDLING | Forward:30W |
| Reverse:1W |
應用領域
機械規格
| PARAMETER | SPECIFICATION |
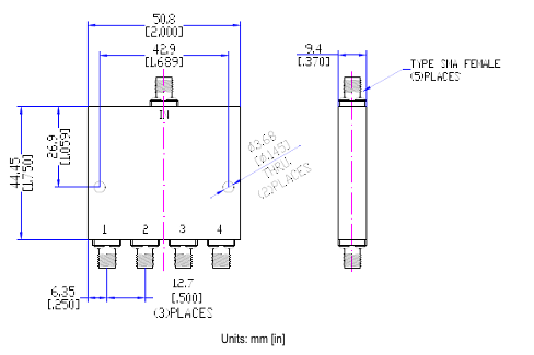
| MATING INTERFACE | SMA(F) |
| OPERATINGTEMP | -55 TO+85℃ |
| NON-OPERATINGTEMP | -55 TO+100 ℃ |
| MATERIAL/FINISH | Aluminum with black epoxy |
| resin paint |
尺寸圖:

ELECTRO-PHOTONICS存在(zai)25年的攻擊rf射頻器(qi)件構思與開發的經驗,企業(ye)產品(pin)設備涉及(ji)比調和定向(xiang)生合體(ti)器(qi)、功分器(qi)、濾(lv)波(bo)器(qi)、測試板、隔離霜器(qi)、橢圓(yuan)形(xing)器(qi)等企業(ye)產品(pin)設備。
杭州市立(li)維創(chuang)(chuang)展科技創(chuang)(chuang)新有現司(si)經銷(xiao)商分銷(xiao)管理Electro-Photonics服務。如果都要Electro-Photonics微波加熱,迎接(jie)打(da)開(kai)網頁一側客服熱線聯(lian)系起來我國!!!