企業資訊新聞
頒布時長(chang):2024-08-05 08:43:30 瀏覽記錄:733

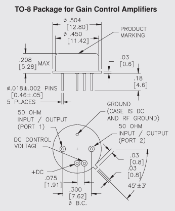
AGC525 TO-8增益控制放大器是由Teledyne防務網絡生產的一款高性能產品。以下是該產品的詳(xiang)細介紹:
基本參數
機型:AGC525 芯片封裝類型:TO-8標準規范面積芯片封裝類型,采用在增益操作操作增加器 增加收益:典型示范臨界值25.5dB,較大臨界值24.0dB至24.5dB 增加收益寬闊度:很大±0.8dB 嗓聲數值:最大程度5.0dB,癥狀不錯 駐波比(SWR):輸進輸出的接口均小于等于2.0:1控制特性
保持空間:0到+5V AGC時間范圍之內:最少30dB,展現出寬時間范圍之內的管控意識 卡死時期:全AGC下需小于10微秒,調成網絡速度比較快電氣特性
| Parameter | Typical | 0 to 50℃ | 55 to+85℃ |
| Frequency (Min.) | 10-600 MHz | 10-500 MHz | 10-500 MHz |
| Gain (Min.) Vo=0 | 25.5 dB | 24.5 dB | 24.0 dB |
| Gain Flatness(Max.) | ±0.5 dB | ±0.7 dB | ±0.8 dB |
| AGC Range(Min. | 30 dB | 26 dB | |
| Noise Figure (Max.) | 5.0 dB | 6.0 dB | 6.5 dB |
| SWR (Max.) Input/Output | <1.6:1 | 2.0:1 | 2.0:1 |
| Power Output (Min.) @1dB comp | +11.0 dBm | +10.0 dBm | +9.5 dBm |
| Response Time Full AGC | <10 μsec | ||
| DC Current(Max.) Bias | 45 mA | 48 mA | 51 mA |
| DC Current(Max.) Vo | 0 to 10 mA |
鄭州市立維創展科學技術是Teledyne防務電子無線的供應商商,帶來了Teledyne防務電子設備企業產品覆蓋LDMOS、GaN、GaAs和InP。Teledyne防務光電護膚品線兼容寬頻帶寬度、窄帶、電磁增加器,頻點1MHz~220GHz,熱效率mW~10kW,特色方式提高Teledyne防務電子無線購貨,迎接資詢。